
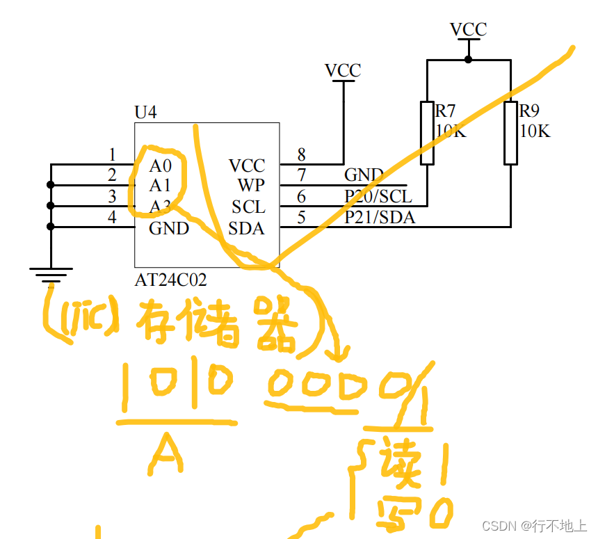
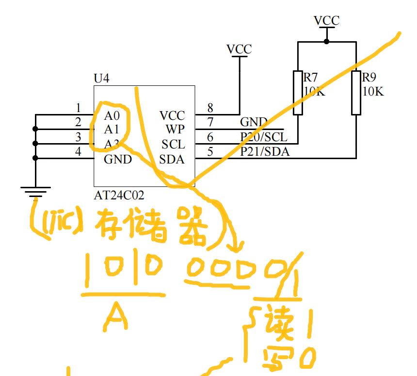
EEPROM存储器(AT24C02):掉电数据还保存
//************EEPROM存储器***********************************************
unsigned char eeprom_read(unsigned char add)//从EEPROM(哪个地址)读数据
{
unsigned char temp;
IIC_Start();
IIC_SendByte(0xa0);//允许写(读1/写0) 1010 000 0/1
IIC_WaitAck();
IIC_SendByte(add);//告诉它地址
IIC_WaitAck();
IIC_Stop();
IIC_Start();
IIC_SendByte(0xa1);//允许读(读1/写0) 1010 000 0/1
IIC_WaitAck();
temp = IIC_RecByte();//读取数据
IIC_Stop();
return temp;
Delayms(5);//(连续读,连续写,只有第一个对的)需要延时一下
}
void eeprom_write(unsigned char add, dat)//往EEPROM写数据(写在哪,写什么)
{
IIC_Start();
IIC_SendByte(0xa0);//允许写(读1/写0) 1010 000 0/1
IIC_WaitAck();
IIC_SendByte(add);//告诉它地址
IIC_WaitAck();
IIC_SendByte(dat);//写内容
IIC_WaitAck();
IIC_Stop();
Delayms(5);//需要延时一下
}
//***********************************************************************
应用:
EEPROM_write(0x01,32);//向0x01 写32
dat1 = EEPROM_read(0x01);//读0x01 的数据(dat1是数码管)
版权声明:本文为qq_53889131原创文章,遵循CC 4.0 BY-SA版权协议,转载请附上原文出处链接和本声明。