Skip to content
  • 首页
  • PHP源码
  • html5网页模板
  • js特效
  • Window软件
  • Mac软件
  • 服务器
  • 其他
Search
源码巴士
  • Sample Page

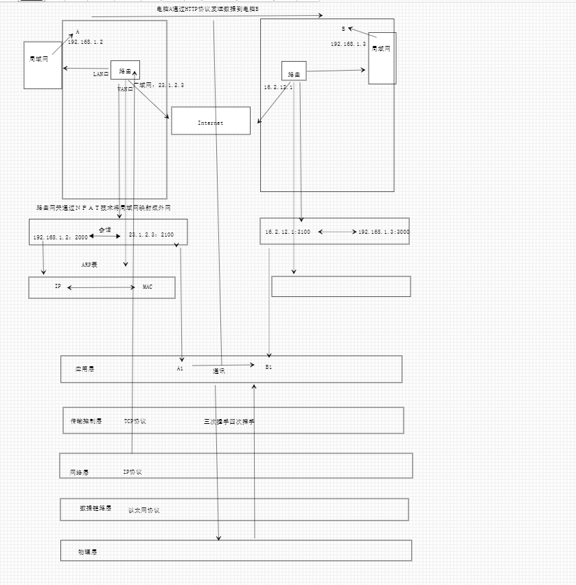
网络原理图

在这里插入图片描述


版权声明:本文为qq_41460198原创文章,遵循CC 4.0 BY-SA版权协议,转载请附上原文出处链接和本声明。
原文链接:https://blog.csdn.net/qq_41460198/article/details/107882044
文章导航
←Java的反射,手写示例
Android开发okhttp+retrofit+rxJava 之文件上传下载→

Copyright © 2022 源码巴士  鲁ICP备19024253号-1