目录
首先关于数据的存取一般步骤是:打开——处理——关闭
1.二进制数据
# 设置路径的方法
方法1:路径常量


上图为打开文件,文件路径所连接的就是路径常量(这里的路径常量就是亲手输入你所需要的打开的文件所对应的路径)
方法2:创建路径


上图是创建路径,基路径代表你本次VI对应的路径,再在粉红色框内输入你所需要的相对路径。
2.电子表格
# 存储
例子:

上图中含有的部分控件

创建的路径为:D:\LabView\基于文本读取方法\test.xls
这样的话就写了一个文件test.xls 创建的是一个二维数组是依次为从0-29的数
内容为:

# 读取:
例子:
上面的例子不是存储了一个文件嘛,这里就是将之前存储的文件读取出来。

前面板的文本和数组显示 也正好与前面的xls文件内容一样

3.文本数据
1.格式化写入文件
例子:

如上图所示一些控件:

点击运行,选择对应要输入的txt文件。打开文件

2.一般写入+读取步骤
例子:这个例子的意思就是先创建一个文件,地址为:D:\LabView\标准存取\test.txt;然后写入文件,再打开文件,读取文件,可以对文本里的话来确定到底需要打印多少行来设置,最后在文本的显示控件里显示出来。


本例子的含义就是将先前需要输入的文本,储存到指定的地址的txt文件中去。然后再打开读取文件再关闭。
读取文本文件可以读取行也可以读取数。本例读取行,输入值是-1代表读到最后一行。

同理读取2行
哈哈哈哈紧跟实时!
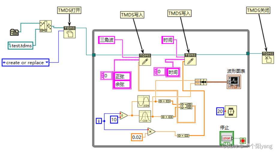
4.TDMS的存取
1.存储

本篇文章的第一句话,首先关于数据的存取一般步骤是:打开——处理——关闭
上图实现的功能就是先创建一个文件路径,步骤为:打开—写入—关闭
用一个while循环里面的功能是创建一个三角波和时间的TMDS文件。写入三角波的数据为正弦和余弦

2.读取

如上图所示,对TMDS打开—读取—关闭
