PLC的软件编程语言与一般计算机语言相比,具有明显的特点,它既不同于高级语言,也不同于一般的汇编语言,且要满足易于编写和调试的要求。

早期的PLC仅支持梯形图编程语言和指令表编程语言,现根据国际电工委员会制定了五种能支持PLC编程的语言,分别是:梯形图(LD)、指令表(IL)、功能模块图(FBD)、顺序功能流程图Delete(SFC)、结构化文本Delete(ST)等等,今天给大家分享一些PLC的控制线路和梯形图,这算是比较基础实用的部分,一起来看看吧!
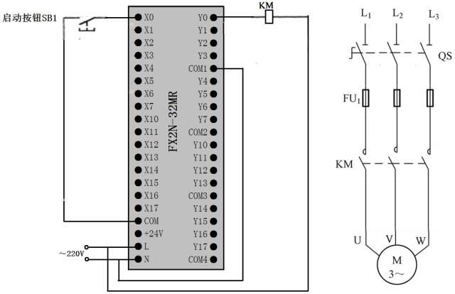
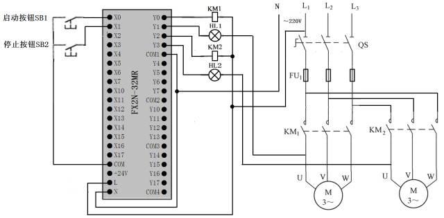
起动、自锁和停止控制的PLC线路与梯形图
起动、自锁和停止控制能使用驱动指令(OUT),也能够使用置位指令(SET、RST)来实现。
1、采用线圈驱动指令实现起动、自锁和停止控制


线路与梯形图说明:
点击起动按钮SB1时,PLC内部梯形图程序中的起动触点X000闭合,输出线圈Y000得电,输出端子Y0内部硬触点闭合,Y0端子与COM端子之间内部接通,接触器线圈KM得电,主电路中的KM主触点闭合,电动机得电起动。
点击停止按钮SB2时,PLC内部梯形图程序中的停止触点X001断开,输出线圈Y000失电, Y0、COM端子之间的内部硬触点断开,接触器线圈KM失电,主电路中的KM主触点断开,电动机失电停转。
2、采用置位复位指令实现起动、自锁和停止控制

其PLC接线图与上面类似。
线路与梯形图说明:
点击起动按钮SB1时,梯形图中的起动触点X000闭合,[SET Y000]指令执行,指令执行结果将输出继电器线圈Y000置1,相当于线圈Y000得电,使Y0、COM端子之间的内部硬触点接通,接触器线圈KM得电,主电路中的KM主触点闭合,电动机得电起动。
点击停止按钮SB2时,梯形图程序中的停止触点X001闭合,[RST Y000]指令被执行,指令执行结果将输出线圈Y000复位,相当于线圈Y000失电,Y0、COM端子之间的内部硬触点断开,接触器线圈KM失电,主电路中的KM主触点断开,电动机失电停转。
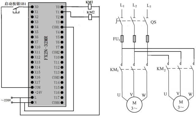
正、反转联锁控制的PLC线路与梯形图


线路与梯形图说明如下:
1)、正转联锁控制
点击正转按钮SB1→梯形图程序中的正转触点X000闭合→线圈Y000得电→Y000自锁触点闭合,Y000联锁触点断开,Y0端子与COM端子间的内部硬触点闭合→Y000自锁触点闭合,使线圈Y000在X000触点断开后仍可得电;Y000联锁触点断开,使线圈Y001即使在X001触点闭合(误操作SB2引起)时也无法得电,实现联锁控制;Y0端子与COM端子间的内部硬触点闭合,接触器KM1线圈得电,主电路中的KM1主触点闭合,电动机得电正转。
2)、反转联锁控制点击反转按钮SB2→梯形图程序中的反转触点X001闭合→线圈Y001得电→Y001自锁触点闭合,Y001联锁触点断开,Y1端子与COM端子间的内部硬触点闭合→Y001自锁触点闭合,使线圈Y001在X001触点断开后继续得电;Y001联锁触点断开,使线圈Y000即使在X000触点闭合(误操作SB1引起)时也无法得电,实现联锁控制;Y1端子与COM端子间的内部硬触点闭合,接触器KM2线圈得电,主电路中的KM2主触点闭合,电动机得电反转。
3)、停转控制
点击停止按钮SB3→梯形图程序中的两个停止触点X002均断开→线圈Y000、Y001均失电→接触器KM1、KM2线圈均失电→主电路中的KM1、KM2主触点均断开,电动机失电停转。
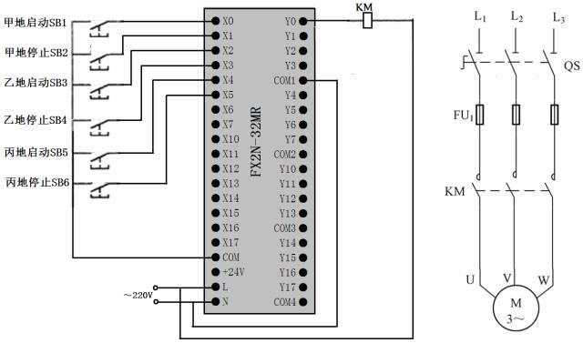
多地控制的PLC线路与梯形图

(1)、单人多地控制

甲地起动控制。在甲地点击起动按钮SB1时→X000常开触点闭合→线圈Y000得电→Y000常开自锁触点闭合,Y0端子内部硬触点闭合→Y000常开自锁触点闭合锁定Y000线圈供电,Y0端子内部硬触点闭合使接触器线圈KM得电→主电路中的KM主触点闭合,电动机得电运转。
甲地停止控制。在甲地点击停止按钮SB2时→X001常闭触点断开→线圈Y000失电→Y000常开自锁触点断开,Y0端子内部硬触点断开→接触器线圈KM失电→主电路中的KM主触点断开,电动机失电停转。
(2)、多人多地控制

起动控制。在甲、乙、丙三个地点一起点击按钮SB1、SB3、SB5→线圈Y000得电→Y000常开自锁触点闭合,Y0端子的内部硬触点闭合→Y000线圈供电锁定,接触器线圈KM得电→主电路中的KM主触点闭合,电动机得电运转。
停止控制。在甲、乙、丙三个地点一起点击SB2、SB4、SB6中的某个停止按钮时→线圈Y000失电→Y000常开自锁触点断开,Y0端子内部硬触点断开→Y000常开自锁触点断开使Y000线圈供电切断,Y0端子的内部硬触点断开使接触器线圈KM失电→主电路中的KM主触点断开,电动机失电停转。
立即领取1164项三菱PLC案例
定时控制的PLC线路与梯形图
1、延时起动定时运行控制的PLC线路与梯形图


它能实现:按下起动按钮3秒钟后,电动机起动工作,工作5秒钟后自行叫停。
PLC线路与梯形图说明如下:

2、多定时器组合控制的PLC线路与梯形图


它可以实现:点击起动按钮后电动机B马上运行,30秒钟后电动机A开始工作,70秒后电动机B停转,100秒后电动机A停转。
PLC线路与梯形图说明如下:

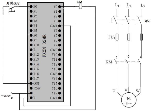
定时器与计数器组合延长定时控制的PLC线路与梯形图
三菱FX系列PLC的最长定时时间为3276.7s(约54min),使用定时器和计数器能够拉长定时时间。


PLC线路与梯形图说明如下:

图中的定时器T0定时单位为0.1s(100ms),它与计数器C0搭配用之后,它的定时时间T=30000×0.1秒×30000=90000000秒=25000小时。如果需要重新定时,可以把开关QS2断开,让[2]X000常闭触点闭合,然后“RST C0”指令执行,之后计数器C0进行复位,然后再闭合QS2,就会重新开始250000小时定时。
多重输出控制的PLC线路与梯形图


PLC线路与梯形图说明如下:
(1)、起动控制

(2)、停止控制

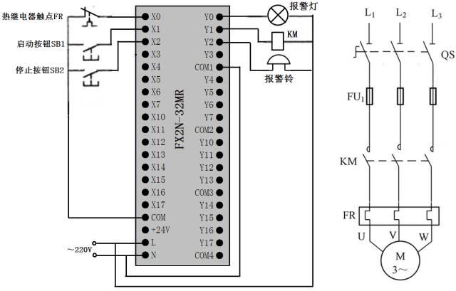
过载报警控制的PLC线路与梯形图


PLC线路与梯形图说明:
(1)、起动控制
点击起动按钮SB1→[1]X001常开触点闭合→[SET Y001]指令执行→Y001线圈被置位,即Y001线圈得电→Y1端子内部硬触点闭合→接触器KM线圈得电→KM主触点闭合→电动机得电运转。
(2)、停止控制
点击停止按钮SB2→[2]X002常开触点闭合→[RST Y001]指令执行→Y001线圈被复位,即Y001线圈失电→Y1端子内部硬触点断开→接触器KM线圈失电→KM主触点断开→电动机失电停转。
(3)、过载保护及报警控制


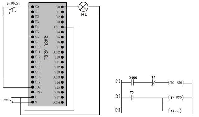
闪烁控制的PLC线路与梯形图

线路与梯形图说明:
把开关QS闭合→X000常开触点闭合→定时器T0开始3s计时→3s后,定时器T0动作,T0常开触点闭合→定时器T1开始3s计时,与此同时Y000得电,Y0端子内部硬触点闭合,灯HL点亮→3s后,定时器T1动作,T1常闭触点断开→定时器T0复位,T0常开触点断开→Y000线圈失电,同时定时器T1复位→Y000线圈失电使灯HL熄灭;定时器T1复位使T1闭合,因为开关QS依旧是闭合状态,所以X000常开触点也是闭合,定时器T0又开始重新3s计时。
之后重复上述过程,灯HL保持3s亮、3s灭的频率闪烁发光。
相关练习
喷泉的PLC控制

系统要求用两个按钮来控制A、B、C三组喷头工作(通过控制三组喷头的电动机来实现),三组喷头排列如图4-32所示。系统控制要求具体如下:
当按下起动按钮后,A组喷头先喷5s后停止,然后B、C组喷头同时喷,5s后,B组喷头停止、C组喷头继续喷5s再停止,而后A、B组喷头喷7s,C组喷头在这7s的前2s内停止,后5s内喷水,接着A、B、C三组喷头同时停止3s,以后重复前述过程。按下停止按钮后,三组喷头同时停止喷水。

来源:网络
声明:本文所用视频、图片、文字如涉及作品版权问题,请第一时间告知,我们将根据您提供的证明材
料确认版权并按国家标准支付稿酬或立即删除内容。

