NXP i.MX6ULL扩展了i.MX6系列,它是一个高性能、超高效、低成本处理器子系列,采用先进的ARM Cortex-A7内核,运行速度高达800MHz。i.MX6ULL应用处理器包括一个集成的电源管理模块,降低了外接电源的复杂性,并简化了上电时序,目标应用有:汽车远程信息处理、IoT网关、人机界面、家庭能源管理系统、智能能源信息集中器、智能工业控制系统、电子POS设备、便携医疗设备、打印机和2D扫描仪等
i.MX6ULL应用处理器框图

FETMX6ULL-C核心板基于NXP i.MX6ULL处理器开发设计,采用低功耗的ARM Cortex-A7架构,运行速度高达800MHz。原生支持8路UART、2路Ethernet、2路CAN总线、2路USB 、LCD等常用接口。并采用超小尺寸设计,核心板尺寸仅40*29mm,适应更多体积受限的应用场景。

FETMX6ULL-C核心板 Linux系统整机功耗实测表
编号 | 测试项目 | 供电电压 (V) | 工作电流 | |
瞬时峰值(mA) | 稳定值(mA) | |||
1 | 不接显示屏+无操作 | 5±5% | - | 250 |
2 | 带载4.3寸屏+无操作 | 5±5% | - | 315 |
3 | 带载7寸屏+无操作 | 5±5% | - | 587 |
4 | 带载4.3寸屏+视频播放+100% CPU占用 | 5±5% | 360 | 340 |
5 | 带载7寸屏+视频播放+100% CPU占用 | 5±5% | 715 | 700 |
注:
峰值电流:启动过程中的最大电流值;
稳定值电流:启动后停留在开机界面时的电流值 。
核心板硬件设计说明
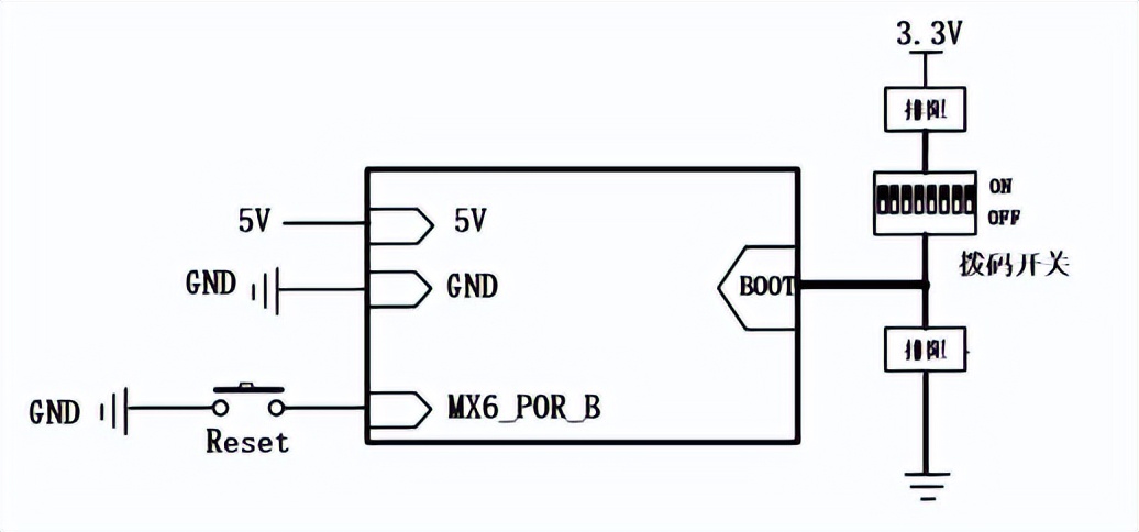
FETMX6ULL-C核心板已经将电源、复位监控电路、存储电路集成于一个小巧的模块上,所需的外部电路非常简洁,构成一个最小系统只需要 5V 电源、复位按键、启动配置即可运行,如下图所示:

基于FETMX6ULL-C核心板设计最小系统原理图

注:
用户自行设计底板时候必须留出串口部分电路,便于调试;
用户自行设计底板时候必须留出拨码开关部分电路,便于程序烧写;
用户自行设计底板时候注意上电顺序,以防闩锁效应的发生损坏CPU(具体设计参考3.5.1底板电源)。
一般情况下,除最小系统外建议连接上一些外部设备,例如调试串口,否则用户无法判断系统是否启动。做好这些后,再在此基础上根据飞凌提供的核心板默认接口定义来添加用户需要的功能。iMX6ULL系列核心板引脚定义可联系飞凌嵌入式客服索取。
硬件设计指南
1、boot配置方式
i.MX6ULL有多种烧写和启动方式,在系统上电或复位后,通过读取系统启动配置引脚的状态,选择不同的烧写和启动方式。
用户自己设计底板时,一定要加上这部分电路,具体配置方式请参考开发板底板原理图及本手册Boot配置章节。同时提醒用户注意,如果同时需要使用SD卡烧写和eMMC启动两种模式,则一定要加上对LCD_DATA11引脚的控制,否则,可以根据需要,对LCD_DATA11做固定电平处理。
2、PMIC_ON_REQ驱动能力问题
底板上的GEN_5V和GEN_3.3V都是通过PMIC_ON_REQ引脚的控制来获得的,PMIC_ON_REQ引脚的电流驱动能力太弱,需要使用电压控制型开关元件,开发板中使用的是N沟道场效应管AO3416,请参考底板电源电路设计。
3、IIC总线加上拉电阻
用户自己设计底板时,需要注意IIC总线必须加上拉电阻,否则可能导致IIC总线设备不能使用。目前底板上引出的两个IIC总线均通过1.5K电阻上拉到了3.3V。
4、调试中,出现USB1-1错误
用户使用USB接口时,需要把USB_OTG1_VBUS和USB_OTG2_VBUS连接到5V,否则会报错。目前底板上,USB_OTG2_VBUS这个引脚通过一个0Ω电阻,连接到了GEN_5V上。
5、CAN电路RX引脚输出电平
目前开发板默认使用的CAN收发器芯片是TJA1040T,该芯片的RX端输出电平为5V,而CPU该引脚的电平为3.3V,为不影响CPU内部的3.3V电源,需要在芯片的RX端对地串联电阻分压,再接入CPU 。请参考CAN部分电路。
6、用户没有用到的引脚请做悬空处理。