目前滤波器的分析和设计方法有两种:一是影像参数分析法,二是工作参数分析法(又称综合法)。前者设计简单,易于掌握,但这种滤波器的实测滤波特性与理论上的预定特性差别较大,在通带内又不能取得良好阻抗匹配,很难满足对滤波特性精度高的要求;后者是以网络综合理论为基础的分析方法,它选区找出与理想滤波特性相近似的网络函数,然后根据综合方法实现该网络函数,由这种方法设计出来的滤波器,实测的滤波特性与理论预定特性十分接近,所以适合于高精度的滤波器设计要求。
低通滤波器容许低频信号通过, 但减弱(或减少)频率高於截止频率的信号的通过。
高通滤波器容许高频信号通过, 但减弱(或减少)频率低于於截止频率的信号的通过。
带通滤波器容许一定频率范围信号通过, 但减弱(或减少)频率低于於下限截止频率和高于上限截止频率的信号的通过。
带阻滤波器减弱(或减少)一定频率范围信号, 但容许频率低于於下限截止频率和高于上限截止频率的信号的通过。
在说带通滤波器之前,先说说我对于滤波器的一些基本的认识,首先滤波器按照处理信号类型分类有模拟滤波器和离散滤波器,而我们常用的模拟滤波器又分为有源滤波器和无源滤波器。无源滤波器就是无源器件组成的滤波器,一般都是RC和LC等分立元件构成。常用的无源滤波器有贝塞尔滤波器、巴特沃斯滤波器、切尔雪夫滤波器、椭圆滤波器等等。而有源滤波器则是有源器件构成的,常用的有源器件有运放。按照频率通带来分有低通、高通、带通、带阻、全通滤波器。下面我就开始介绍一下有源带通滤波器,如下图所示:


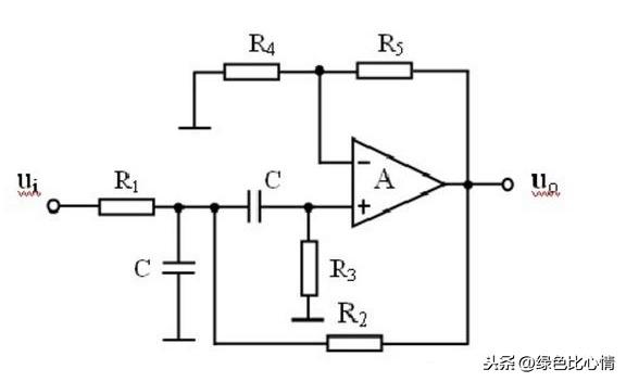
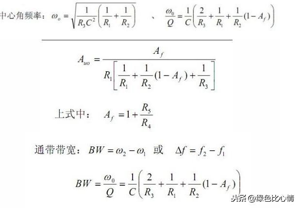
首先,我先说一下压控电压源二阶带通滤波器,关于带通滤波器,我们需要知道的几个重要参数:中心频率f0或者中心角频率W0、通带带宽BW、中心频率的放大倍数Auo和品质因素Q。其中按照图1中的原理图,通过查阅相关资料可得到这几个参数的计算公式如下:

同理,无限增益多路负反馈有源二阶带通滤波器的参数计算公式如下:

但是,我在按照如上的电路分别对压控电压源二阶带通滤波器和无限增益多路负反馈有源二阶带通滤波器进行的调试过程中,发现按照如上的公式计算出来的参数在电路板上得到的结果大部分并不相同,有时候会相差很大的结果。也许有人会说,先对计算好的电路用mulTIsim进行仿真,仿真过了就把参数焊接到电路板上。其实我也这样试过,但是这样做得到的结果和在电路板上进行实验得到的结果也是不一样的。我在调试的过程中还发现,同样的参数移植到不同的放大器的时候,得到的结果也不一样。还有就是当同一款放大器和相同的一组参数,如果放大器的供电不一样的时候,比如说我给TLE2142正负12V和+12,+6这两种供电方式得到的结果也是不一样的。
因此,我得到的结论是:理论上的计算和电路的仿真都是在理想情况下得到的,我们在做实物的时候不能完成按照理论上的东西照搬。因为现实中的情况是比较复杂的,至于为什么计算和仿真得到的参数,搬到电路板上为什么不能够得到结论,我个人觉得有两个原因:一个就是PCB板上本身就带有寄生电容、电感和分布电容,虽然这些值很小,但是有可能会影响到电路的结论;第二就是放大器,由于不同的放大器内部的结构是不同的,因此在用不同的放大器的时候,有可能会影响到放大器外围的电路参数。