每写一个程序,总离不开数据的应用,在学习 c51 语言的过程中掌握理解数据类型也是 很关键的。先看表 3-1,表中列出了 KEIL uVision2 单片机c语言编译器所支持的数据类型。
一、变量和运算符
Cx51中的算术运算符





二、函数
函数可分为主函数、标准库函数、自定义函数三类。
1、主函数
Cx51语言程序中有且只能有一个主函数main()。一个Cx51语言程序的执行从主函数开始,主函数可以调用其它函数,包括库函数和自定义函数,其它函数不能调用主函数。
主函数的标准写法是 int main( void )
前面的int是main 函数的返回值类型,用于向操作系统说明程序的退出状态,返回0代表正常退出,1代表异常。形式参数“void”用于说明主函没有输入参数。
2、库函数
Cx51编译器提供了丰富的库函数,库函数是已经编写好的功能函数,可完成数学计算、输入输出等常用功能,供开发人员调用,以提高编程效率。
如果程序中使用了库函数,则应该在程序的开头处使用#include包含语句,将所用的函数头文件包含到程序中来。
3、自定义函数
可根据需要编写自定义功能函数,结构如下:
返回值类型函数名(类型 形参)
{ 数据定义; 执行语句; 返回值;}形参和返回值是函数与外界联系的桥梁。形参是在函数调用时由外界传入函数体内的参数,形参可以没有,也可以有多个;返回值是函数运行完毕时返回给调用该函数语句的值。如果函数没有返回值,那么应声明为void类型,凡不加返回值类型限定的函数,就会被编译器作为返回整型值处理。
根据作用范围的不同,变量可分为局部变量和全局变量。局部变量是定义在函数内部的变量,只在该函数内部有效;全局变量是定义在函数外部的变量,从其定义位置开始到源文件结束都有效。如果全局变量和某一函数的局部变量同名,则在该函数内部只有局部变量有效。

三、函数举例
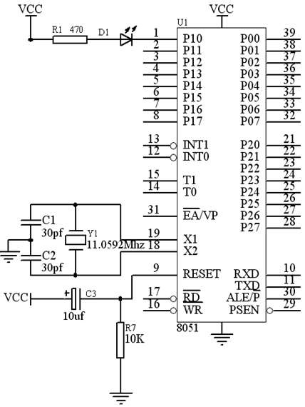
下图是8051单片机的P1.0口上连接了一个LED,请编程实现LED周期闪烁。

#include //包含单片机定义寄存器的头文件 sbit led = P1^0; //将led定义为P1.0位void delay(void) //延时函数{ unsigned int i; //定义无符号整数,最大取值范围65535 for(i=0;i<20000;i++);//做20000次空循环,以进行延时。}int main(void ) //主函数{ while(1) //无限循环,以使LED持续闪烁。 { led =0; // P1.0输出低电平,灯亮 delay(); //延时一段时间 led =1; // P1.0输出高电平,灯灭 delay(); //延时一段时间 }}四、移位控制流水灯
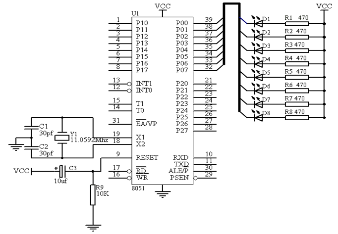
下图是8051单片机的P0口上连接了8个LED,请采用移位操作编写程序实现LED流水灯。

#include //包含单片机定义寄存器的头文件void delay(void) //延时函数{ unsigned int i; //定义无符号整数,最大取值范围65535 for(i=0;i<20000;i++); //做20000次空循环,以进行延时。}int main(void ) //主函数{ unsigned char led,a,b; //定义三个无符号字符型变量 led =0xfe;// led = 11111110B,即P0.0上LED亮,其余口线上LED灭 while(1) //无限循环,以使LED流水亮灭 {P0 = led; //将led状态赋给P0口寄存器,实现LED亮灭a = led>>7; //将led最高位先放到a中的最低位中,a中其它位全为0b = led<<1; //将led左移一位,最低位补零led = b|a; //位或运算 delay(); }}往期回顾
01 |ESP8266模块详解 |
02 |DA转换器是什么?快来一起学习一下吧! |
03 |STM32中断优先级详解 |
04 |STM32下载程序新思路--使用串口下载程序 |
