对于序列信号001010, 选择四位: 0010->0101->1010->0100->1000->0001->0010->...... 无重复状态, 则选择该种设计方案(若选择三位会产生重复状态).
由此, 得到状态顺序表.
| 状态顺序表 | ||||
| CLK顺序 | Q3 | Q2 | Q1 | Q0 |
| 0 | 0 | 0 | 1 | 0 |
| 1 | 0 | 1 | 0 | 1 |
| 2 | 1 | 0 | 1 | 0 |
| 3 | 0 | 1 | 0 | 0 |
| 4 | 1 | 0 | 0 | 0 |
| 5 | 0 | 0 | 0 | 1 |
| 6 | 0 | 0 | 1 | 0 |
由状态顺序表, 可以看出需要的序列信号由Q3端输出.
根据状态顺序表, 再使电路具备自启动功能, 有下述状态表.
| 状态表 | |||||||
| Q3 | Q2 | Q1 | Q0 | Q3* | Q2* | Q1* | Q0* |
| 0 | 0 | 0 | 0 | 0 | 0 | 0 | 1 |
| 0 | 0 | 0 | 1 | 0 | 0 | 1 | 0 |
| 0 | 0 | 1 | 0 | 0 | 1 | 0 | 1 |
| 0 | 0 | 1 | 1 | 0 | 1 | 1 | 0 |
| 0 | 1 | 0 | 0 | 1 | 0 | 0 | 0 |
| 0 | 1 | 0 | 1 | 1 | 0 | 1 | 0 |
| 0 | 1 | 1 | 0 | 1 | 1 | 0 | 0 |
| 0 | 1 | 1 | 1 | 1 | 1 | 1 | 1 |
| 1 | 0 | 0 | 0 | 0 | 0 | 0 | 1 |
| 1 | 0 | 0 | 1 | 0 | 0 | 1 | 0 |
| 1 | 0 | 1 | 0 | 0 | 1 | 0 | 0 |
| 1 | 0 | 1 | 1 | 0 | 1 | 1 | 0 |
| 1 | 1 | 0 | 0 | 1 | 0 | 0 | 0 |
| 1 | 1 | 0 | 1 | 1 | 0 | 1 | 0 |
| 1 | 1 | 1 | 0 | 1 | 1 | 0 | 1 |
| 1 | 1 | 1 | 1 | 1 | 1 | 1 | 0 |
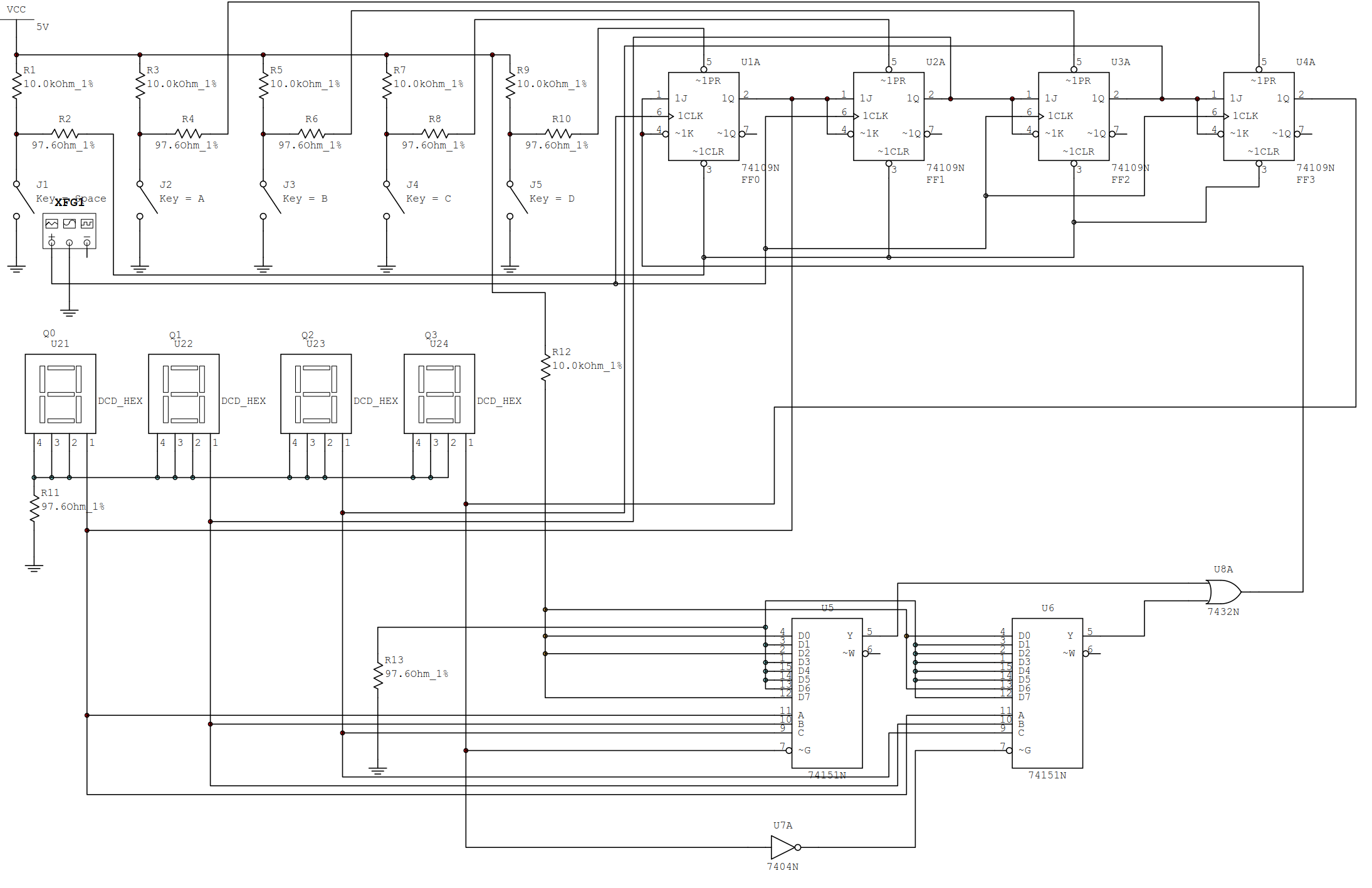
由于电路本身就是一个同步右移移位寄存器, 所以只需设计D0即可.
| 状态激励表 | ||||
| Q3 | Q2 | Q1 | Q0 | D0 |
| 0 | 0 | 0 | 0 | 1 |
| 0 | 0 | 0 | 1 | 0 |
| 0 | 0 | 1 | 0 | 1 |
| 0 | 0 | 1 | 1 | 0 |
| 0 | 1 | 0 | 0 | 0 |
| 0 | 1 | 0 | 1 | 0 |
| 0 | 1 | 1 | 0 | 0 |
| 0 | 1 | 1 | 1 | 1 |
| 1 | 0 | 0 | 0 | 1 |
| 1 | 0 | 0 | 1 | 0 |
| 1 | 0 | 1 | 0 | 0 |
| 1 | 0 | 1 | 1 | 0 |
| 1 | 1 | 0 | 0 | 0 |
| 1 | 1 | 0 | 1 | 0 |
| 1 | 1 | 1 | 0 | 1 |
| 1 | 1 | 1 | 1 | 0 |
用2片74151和一片非门组成16选1数据选择器, 以此实现D0的逻辑表达式.
根据上面的分析, 绘制电路的原理图.

版权声明:本文为weixin_42048463原创文章,遵循CC 4.0 BY-SA版权协议,转载请附上原文出处链接和本声明。