标题
简介
在C语言或者其他编程语言中for语句往往用作循环语句,但是在硬件电路Verilog 中一般不在可综合代码中使用,因为for循环会被综合器展开为所有变量情况的执行语句 ,每个变量独立占用寄存器资源,每条执行语并不能有效地复用硬件逻辑资源,造成巨大的资源浪费。 简单的说就是:for语句循环几次,就是将相同的电路复制几次,因此循环次数越多,占用面积越大, 综合就越慢。for语句的一般 使用 情况: 在testbench中 使用 ,往往用于激励信号的生成。
在for循环中需要用到Integer,Integer在电路里面生成的是buffer。但是在测试激励里面读取不了Integer循环时的每一个值。一般不推荐使用
在generate-for中需要用到参数定义genvar。generate语句有generate-for,generate-if,generate-case三种语句。这里重点介绍generate for语句。主要有以下几个需要注意的点
(1) 必须有genvar关键字定义for语句的变量。
(2)for语句的内容必须加begin和end(即使就一句)。
(3)for语句必须有个名字。
下面举几个例子说明一下:
例1、genvar…generate…endgenerate 使用方法
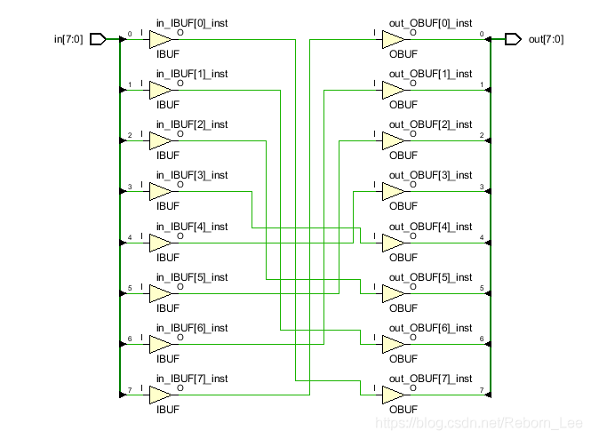
module top_module(
input [7:0] in,
output [7:0] out
);
genvar i;
generate
for(i = 0; i < 8; i = i + 1) begin : bit_reverse
assign out[i] = in[7 - i];
end
endgenerate
endmodule
生成的schematic图:
例2、for 使用方法:组合逻辑
注意for不能单独使用,要放到always块内使用,且always块要有名字:
module top_module(
input [7:0] in,
output [7:0] out
);
reg [7:0] out;
always@(*) begin: bit_reverse
integer i;
for(i = 0;i <8; i = i + 1) begin
out[i] = in[7-i];
end
end
endmodule
生成的schematic图:
通过对例1和例2对比,发现二者综合出来的电路没有任何区别,都能使用,只是写法不同,需要注意的要点也不同。
3、generate里面加上时序逻辑
module top_module(
input sysclk,
input [3:0] a,
output [3:0] temp
);
reg [3:0] temp = 0;
genvar i;
generate
for (i = 0; i < 4 ; i = i + 1) begin: timing_logic
always @(posedge sysclk) begin
temp[i] <= a[i];
end
end
endgenerate
endmodule

4、时序逻辑里面加上for循环
module top_module(
input sysclk,
input [3:0] a,
output [3:0] temp
);
reg [3:0] temp = 0;
always @(posedge sysclk) begin: timing_logic
integer i;
for (i = 0; i < 4 ; i = i + 1) begin
temp[i] <= a[i];
end
end
endmodule

例5、将一个位宽八位的数据依次反转
方式一:
module top_module(
input [7:0] in,
output [7:0] out
);
genvar i;
generate
for(i = 0; i < 8; i = i + 1) begin : bit_reverse
assign out[i] = in[7 - i];
end
endgenerate
endmodule
方式二:
module top_module(
input [7:0] in,
output [7:0] out
);
reg out;
genvar i;
generate
for(i = 0; i < 8; i = i + 1) begin : bit_reverse
always@(*) begin
out[i] = in[7 - i];
end
end
endgenerate
endmodule
版权声明:本文为qq_44816673原创文章,遵循CC 4.0 BY-SA版权协议,转载请附上原文出处链接和本声明。