多模分频器及simulink仿真分析
一.多模分频器简介
在射频电路中常常用到多模分频器,其中可编程分频器应用广泛,可以产生多种分频比。 主要有两种实现方案,如下所述:
本文用的参考文献及simulink仿真文件,点击下载
1.1 双模分频器和计数器实现多模分频器

a) 首先进行初始化,两个计数器分别载入初值J 和K,设定N/N+1双模分频器的模数控制字Cw 为低电平0,控制双模分频器实现N+1分频,否则双模分频器实现N分频。计数器开始倒计数。
b) 计数器采用减法计数方式,每个时钟上升沿到来,两个计数器自减一,因为吞咽计数器初值K小于脉冲计数器初值J,所以吞咽计数器首先减为0 值。
c) 吞咽计数器到达0 值以后,控制模数控制信号Cw 跳变为1,N/N+1双模分频器开始进行N 分频,在此期间脉冲计数器一直进行减一计数,直到变为0 值。
d) 在脉冲计数器减到0 值后,产生一个复位信号Rst,模数控制字Cw再次跳变为低电平0。这样便完成了一个周期的工作过程,重新置入初值。
e) 重复上述步骤。
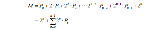
综上所述:总的分频比为D R = K ( N + 1 ) + ( J − K ) N = K + J N DR=K(N+1)+(J-K)N=K+JNDR=K(N+1)+(J−K)N=K+JN
一帮情况下,N是定值,通过修改K和J的值实现不同的分频比。
缺点
1.分频比最小值为1,即频率最小步进值为参考频率Fclk。在某些应用中,较低的参考时钟频率会限制系统性能。
2.针对与不同的系统要求,需要重新设计双模分频器以及计数器,而且多位的计数器硬件消耗较大。
1.2 2\3分频单元实现多模分频器
另外一种 采用2/3单元组合构成多模分频器。


该结构的不足就是分频范围受限,最小分频值是2 n 2^n2n,最大分频比为2 n + 1 − 1 2^{n+1}-12n+1−1。
缺点
1.最小分频比受限,有相关论文解决此问题。
2.随着2/3分频单元的增加,功耗增大。
优点
1.相比于双模分频器构成的多模分频器,其结构简单,容易扩展,每个分频单元的结构完全相同,方便后端设计。
二. 多模分频器simulink建模仿真
针对以上分析,分别仿真两种多模分频器实现方案。
2.1 双模分频器与计数器构成的多模分频器原理及simulink建模仿真

总的分频比为D R = K ( N + 1 ) + ( J − K ) N = K + J N DR=K(N+1)+(J-K)N=K+JNDR=K(N+1)+(J−K)N=K+JN
重写分频比公式和多模分频器结构图:以N=8,J=18,K为变量为例,通过改变K值改变分频比。根据框图可知多模分频器需要一个双模分频器,两个计数器,其中双模分频器实现是关键。计数器可以用matlab中现成的模块实现。双模分频器实现主要有以下两种方案:传统数字逻辑的双模预分频器,相位切换双模预分频器。下面分别介绍两种双模分频器分频原理及仿真分析过程。
2.1.1 传统数字逻辑双模分频器
传统双模预分频器分频比通常有4/5 8/9 16/17等等。要根据不同的系统单独设计这一点与2.2节介绍的基本分频单元很不同。
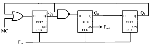
以4/5分频比为例介绍原理及仿真过程
2.MC=0时候,5分频。...因为分频输出是
Q 0 ‾ \overline{Q_0}Q0,因此DFF0作为切入点。假设某个时钟上升沿到来之后,Q 0 Q_0Q0由高变低。则时钟上升沿到来之前必须满足Q 0 = 1 , Q 2 = 1 Q_0=1,Q_2=1Q0=1,Q2=1。从此刻上升沿开始根据逻辑状态画出Q 0 , Q_0,Q0,的波形。会发现Q 0 Q_0Q0为5分频,其中低电平2个时钟周期,高电平三个时钟周期。
缺点:三个D触发器工作在最高频率,动态功耗很大。
2.1.2 双模分频器与计数器构成的多模分频器simulink建模仿真

2.1.3 多模分频器simulink仿真
本次仿真的多模分频器结构采用数字逻辑双模分频器,搭建simulink仿真电路。如下图所示


设置吞吐计数器计数值为4,脉冲计数器技术值为2.。仿真结果如图所示。
注意,simulink仿真电路图中用的计数器,设置的是向上计数,分频原理中常用向下计数讲解。这里没有关系。都是循环计数,计数结束输脉冲即可。