1、电机分类
同步电机-------交流电动机的一种,转速完全按照下面关系式运转:转速=(频率X60)/磁极对数,转速与供电频率有关第,只要频率不变,转速就不会变,用在转速要求恒定不变的设备中。
增大负载,转子速度不变或者说转子角速度与交流电源的角频率同步。
异步电机------交流电动机的一种,转速也取决于供电交流电源的频率,但转子角速度只有在理想空载情况下才与电源角频率同步,实际上总是小于同步角速度即存在一定的转差,并且转差随负载的增加而增大;低造价等特点,是工农业中最常用的电机。
直流电机--------用直流电驱动的电机,电气结构一般分为两大部分:电枢线圈(转子)与磁场线圈(定子),按接线方法看,有并激式(电枢线圈与磁场线圈并联),串激式(电枢线圈与磁场线圈串联)两种,另:小功率电机还有用永久磁铁做电机磁场的。
转子转速取决于电枢上直流电压的值,负载增大时,转速也随着下降,可以说使用PID算法控制PWM信号达到平衡。
伺服电机-------控制系统的执行设备,可用电信号控制其电机的转速、转角、刹车,用模拟量控制的比较多。
步进电机-------数字控制系统的执行设备,完全用数字信号控制的电机。
2、步进电机介绍
步进电机是将电脉冲信号转换为角位移或线位移的**开环元件**。在非超载的情况下,电机的转速、停止的位置只取决于脉冲信号的频率的脉冲数,而**不受负载变化的影响**,即给电机一个脉冲信号,电机则转过一个步距角。
“两相式"步进电机
定子等效于A B C D四个线圈绕组
转子等效成南北极的磁铁
如上图,如果A2和C2,B2和D2连接。只要A B C D四个线圈同上合适的电流,转子就会在磁力的作用下转动。
步进电机内部构造
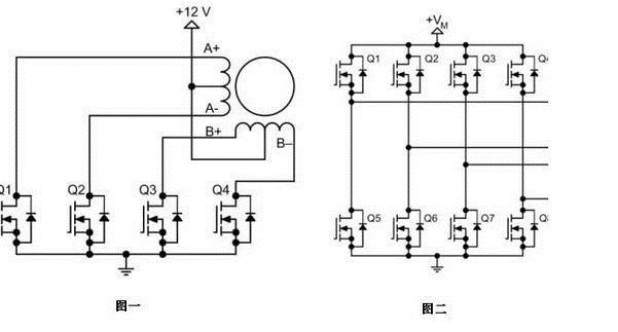
3、步进电机最常采用的两种驱动架构
单极性驱动电路使用四颗晶体管来驱动步进电机的两组相位,电机结构则如图1所示包含两组带有中间抽头的线圈,整个电机共有六条线与外界连接。
双极性步进电机的驱动电路则如图2所示,它会使用八颗晶体管来驱动两组相位。双极性驱动电路可以同时驱动四线式或六线式步进电机。
1)4线两相

2)6线两相-----1
6线步进电机如果把2和5抽头悬空,只接1,3,4,6其效果和4线电机相同。其特点是堵转力矩和效率会比较高,但高速性能比较差,低速大力矩应用应优先考虑这种方法。注意实际工作电流要小于电机额定电流,一般为0.7倍。
## 3)6线两相-----2
以下两种6线电机接双极性驱动器的方法效果是一样的,这种接法电机的高速性能比较好,但由于一组线圈空闲,所以堵转力矩和效率会比较低。适合用在转速比较高的场合,其最大工作电流就是电机额定电流
## 4)6线单极性步进电机
以下是6线电机使用单极性驱动器的接线,原理是一样的,只是驱动器电路设计不同。单极性驱动器的电源利用率比双极性的低,现在用的比较多的还是双极性驱动器
4、步进电机结构形式上分类
反应式电机(VR):由于定子上有绕组、转子由软磁材料组成,所以这种步进电机具备着结构简单、成本低、步距角小这些优点,但同时也具备着动态性能差、效率低、发热大这些缺点,在可靠性方面比较难保证。
永磁式电机(PM):永磁式步进电机的转子是采用永磁材料制成,转子的极数与定子的极数相同,所以具备着动态性能好、输出力矩大这两个优点,不过此种电机也存在着精度差、步矩角大这样的缺点。
混合式电机:这种步进电机在优点方面,是反应式和永磁式的电机的综合,集合了二者具备的众多优点,在输出力矩大的同时,也具备着很好的动态性能,同时步距角也比较小,但电机的结构相对来说比较复杂,在生产制造的时候有一定难度,需要花费的生产成本比较高。
5、驱动器

输入信号:
1)、步进脉冲信号PUL+、PUL-
2)、方向电平信号DIR+、DIR-
3、脱机信号EN+、EN-
接线:共阳极接法或者共阴极接法。
细分数
步距角=电机固有步距角/细分数。如一台固有步距角为1.8°,4细分后1.8°/4=0.45°