一、基本概念
首先介绍一下hash函数:一般翻译做“散列”,也直译为“哈希”,是把任意长度的输入通过散列算法变换成固定长度的输出,该输出就是散列值。
MD5是Message-Digest Algorithm(消息摘要算法)的简称,是一种被广泛使用的hash函数,可以产生出一个128位的散列值,主要用于确保信息传输完整一致。
二、MD5原理
MD5以512位分组来处理输入的信息,且每一分组又被划分为16个32位子分组,经过一些列的处理后,算法输出由四个32位分组组成的128位散列值。具体的步骤如下所示:
1、填充
如果输入信息的长度(bit)对512求余的结果不等于448,就需要填充使得对512求余结果等于448。填充的方法是填充一个1和n个0。填充完成后,信息的长度为N*512+448
2、记录信息长度
用64位内存来存储填充前信息长度。这64位加在第一步结果的后面,这样信息长度就变为N*512 + 448 + 64 = (N+1)*512
3、装入标准的幻数(四个整数)
标准的幻数(物理顺序)是(A=(01234567)16,B=(89ABCDEF)16,C=(FEDCBA98)16,D=(76543210)16)。如果在程序中定义应该是(A=0X67452301L,B=0XEFCDAB89L,C=0X98BADCFEL,D=0X10325476L)。有点晕哈,其实想一想就明白了。
首先清楚整型的位表示方法,其次标准文档上要求的是:四个幻数在内存地址上从低到高为:
A: 01 23 45 67
B: 89 ab cd ef
C: fe dc ba 98
D: 76 54 32 10
采用小端表示法表示为A=0X67452301L,则在地址中就是A=01 23 45 67
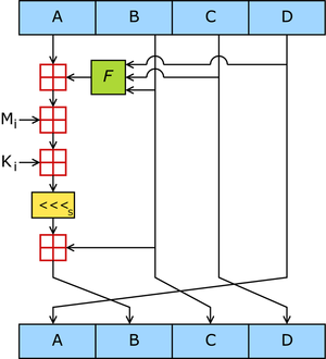
4、循环运算
1、把消息分以512位为一分组进行处理
2、每一个分组进行4轮变换,以上面所说4个标准的幻数为起始变量进行计算,重新输出4个变量
3、以这4个变量再进行下一分组的运算,如果已经是最后一个分组,则这4个变量为最后的结果,即MD5值。
由上面的介绍,我们知道需要对(N+1)组数据进行处理,所以要循环N+1次,每次的循环执行下面的步骤:
将每一512字节细分成16个小组,每个小组32位(4个字节)
认识一下四个线性函数
F(X,Y,Z)=(X&Y)|((~X)&Z)
G(X,Y,Z)=(X&Z)|(Y&(~Z))
H(X,Y,Z)=XYZ
I(X,Y,Z)=Y^(X|(~Z))设置Mj表示消息的第j个子分组(从0到15), <<< s 表示循环左移s位,则四种操作为:
FF(a,b,c,d,Mj,s,ti)表示a=b+((a+F(b,c,d)+Mj+ti)<<<s)
GG(a,b,c,d,Mj,s,ti)表示a=b+((a+G(b,c,d)+Mj+ti)<<<s)
HH(a,b,c,d,Mj,s,ti)表示a=b+((a+H(b,c,d)+Mj+ti)<<<s)
II(a,b,c,d,Mj,s,ti)表示a=b+((a+I(b,c,d)+Mj+ti)<<<s)四轮运算
第一轮
a=FF(a,b,c,d,M0,7,0xd76aa478)
b=FF(d,a,b,c,M1,12,0xe8c7b756)
c=FF(c,d,a,b,M2,17,0x242070db)
d=FF(b,c,d,a,M3,22,0xc1bdceee)
a=FF(a,b,c,d,M4,7,0xf57c0faf)
b=FF(d,a,b,c,M5,12,0x4787c62a)
c=FF(c,d,a,b,M6,17,0xa8304613)
d=FF(b,c,d,a,M7,22,0xfd469501)
a=FF(a,b,c,d,M8,7,0x698098d8)
b=FF(d,a,b,c,M9,12,0x8b44f7af)
c=FF(c,d,a,b,M10,17,0xffff5bb1)
d=FF(b,c,d,a,M11,22,0x895cd7be)
a=FF(a,b,c,d,M12,7,0x6b901122)
b=FF(d,a,b,c,M13,12,0xfd987193)
c=FF(c,d,a,b,M14,17,0xa679438e)
d=FF(b,c,d,a,M15,22,0x49b40821)第二轮
a=GG(a,b,c,d,M1,5,0xf61e2562)
b=GG(d,a,b,c,M6,9,0xc040b340)
c=GG(c,d,a,b,M11,14,0x265e5a51)
d=GG(b,c,d,a,M0,20,0xe9b6c7aa)
a=GG(a,b,c,d,M5,5,0xd62f105d)
b=GG(d,a,b,c,M10,9,0x02441453)
c=GG(c,d,a,b,M15,14,0xd8a1e681)
d=GG(b,c,d,a,M4,20,0xe7d3fbc8)
a=GG(a,b,c,d,M9,5,0x21e1cde6)
b=GG(d,a,b,c,M14,9,0xc33707d6)
c=GG(c,d,a,b,M3,14,0xf4d50d87)
d=GG(b,c,d,a,M8,20,0x455a14ed)
a=GG(a,b,c,d,M13,5,0xa9e3e905)
b=GG(d,a,b,c,M2,9,0xfcefa3f8)
c=GG(c,d,a,b,M7,14,0x676f02d9)
d=GG(b,c,d,a,M12,20,0x8d2a4c8a)第三轮
a=HH(a,b,c,d,M5,4,0xfffa3942)
b=HH(d,a,b,c,M8,11,0x8771f681)
c=HH(c,d,a,b,M11,16,0x6d9d6122)
d=HH(b,c,d,a,M14,23,0xfde5380c)
a=HH(a,b,c,d,M1,4,0xa4beea44)
b=HH(d,a,b,c,M4,11,0x4bdecfa9)
c=HH(c,d,a,b,M7,16,0xf6bb4b60)
d=HH(b,c,d,a,M10,23,0xbebfbc70)
a=HH(a,b,c,d,M13,4,0x289b7ec6)
b=HH(d,a,b,c,M0,11,0xeaa127fa)
c=HH(c,d,a,b,M3,16,0xd4ef3085)
d=HH(b,c,d,a,M6,23,0x04881d05)
a=HH(a,b,c,d,M9,4,0xd9d4d039)
b=HH(d,a,b,c,M12,11,0xe6db99e5)
c=HH(c,d,a,b,M15,16,0x1fa27cf8)
d=HH(b,c,d,a,M2,23,0xc4ac5665)第四轮
a=II(a,b,c,d,M0,6,0xf4292244)
b=II(d,a,b,c,M7,10,0x432aff97)
c=II(c,d,a,b,M14,15,0xab9423a7)
d=II(b,c,d,a,M5,21,0xfc93a039)
a=II(a,b,c,d,M12,6,0x655b59c3)
b=II(d,a,b,c,M3,10,0x8f0ccc92)
c=II(c,d,a,b,M10,15,0xffeff47d)
d=II(b,c,d,a,M1,21,0x85845dd1)
a=II(a,b,c,d,M8,6,0x6fa87e4f)
b=II(d,a,b,c,M15,10,0xfe2ce6e0)
c=II(c,d,a,b,M6,15,0xa3014314)
d=II(b,c,d,a,M13,21,0x4e0811a1)
a=II(a,b,c,d,M4,6,0xf7537e82)
b=II(d,a,b,c,M11,10,0xbd3af235)
c=II(c,d,a,b,M2,15,0x2ad7d2bb)
d=II(b,c,d,a,M9,21,0xeb86d391)每轮循环后,将A、B、C、D分别加上a,b,c,d,然后进入下一循环
三、MD5的应用
1、一致性验证
MD5的典型应用是对一段文本信息产生信息摘要,以防止被篡改。常常在某些软件下载站点的某软件信息中看到其MD5值,它的作用就在于我们可以在下载该软件后,对下载回来的文件用专门的软件(如Windows MD5 Check等)做一次MD5校验,以确保我们获得的文件与该站点提供的文件为同一文件。
2、数字证书
如果有一个第三方的认证机构,用MD5还可以防止文件作者的“抵赖”,这就是所谓的数字签名应用。
3、安全访问认证
在Unix系统中用户的密码是以MD5(或其它类似的算法)经Hash运算后存储在文件系统中。当用户登录的时候,系统把用户输入的密码进行MD5 Hash运算,然后再去和保存在文件系统中的MD5值进行比较,进而确定输入的密码是否正确。通过这样的步骤,系统在并不知道用户密码的明码的情况下就可以确定用户登录系统的合法性。
MD5已经较老,散列长度通常为128位,随着计算机运算能力提高,找到“碰撞”是可能的。因此,在安全要求高的场合不使用MD5。
至于代码,网上有很多资源了,使用的时候去下载一个就行,使用也很简单。
感谢大家,我是假装很努力的YoungYangD(小羊)。
参考资料:
https://baike.baidu.com/item/MD5/212708?fr=aladdin
https://blog.csdn.net/qq_33414271/article/details/78581282