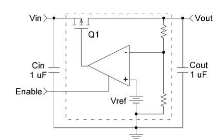
低压差线性稳压器(LDO)的基本电路如图1-1所示,该电路由串联调整管VT、取样电阻R1和R2、比较放大器A组成。
取样电压加在比较器A的同相输入端,与加在反相输入端的基准电压Uref相比较,两者的差值经放大器A放大后,控制串联调整管的压降,从而稳定输出电压。当输出电压Uout降低时,基准电压与取样电压的差值增加,比较放大器输出的驱动电流增加,串联调整管压降减小,从而使输出电压升高。相反,若输出电压Uout超过所需要的设定值,比较放大器输出的前驱动电流减小,从而使输出电压降低。供电过程中,输出电压校正连续进行,调整时间只受比较放大器和输出晶体管回路反应速度的限制。应当说明,实际的线性稳压器还应当具有许多其它的功能,比如负载短路保护、过压关断、过热关断、反接保护等,而且串联调整管也可以采用MOSFET。

二.低压差线性稳压器的主要参数
1.输出电压(OutputVoltage)
输出电压是低压差线性稳压器最重要的参数,也是电子设备设计者选用稳压器时首先应考虑的参数。低压差线性稳压器有固定输出电压和可调输出电压两种类型。固定输出电压稳压器使用比较方便,而且由于输出电压是经过厂家精密调整的,所以稳压器精度很高。但是其设定的输出电压数值均为常用电压值,不可能满足所有的应用要求,但是外接元件数值的变化将影响稳定精度。

2.最大输出电流(MaximumOutputCurrent)
用电设备的功率不同,要求稳压器输出的最大电流也不相同。通常,输出电流越大的稳压器成本越高。为了降低成本,在多只稳压器组成的供电系统中,应根据各部分所需的电流值选择适当的稳压器。

3.输入输出电压差(DropoutVoltage)
输入输出电压差是低压差线性稳压器最重要的参数。在保证输出电压稳定的条件下,该电压压差越低,线性稳压器的性能就越好。比如,5.0V的低压差线性稳压器,只要输入5.5V电压,就能使输出电压稳定在5.0V。

4.接地电流(GroundPinCurrent)
接地电路IGND是指串联调整管输出电流为零时,输入电源提供的稳压器工作电流。该电流有时也称为静态电流,但是采用PNP晶体管作串联调整管元件时,这种习惯叫法是不正确的。通常较理想的低压差稳压器的接地电流很小。

5.负载调整率(LoadRegulation)
负载调整率可以通过图2-1和式2-1来定义,LDO的负载调整率越小,说明LDO抑制负载干扰的能力越强。
(2-1)式中△Vload-负载调整率Imax-LDO最大输出电流Vt-输出电流为Imax时,LDO的输出电压Vo-输出电流为0.1mA时,LDO的输出电压△V-负载电流分别为0.1mA和Imax时的输出电压之差.

6.线性调整率(LineRegulation)
线性调整率可以通过图2-2和式2-2来定义,LDO的线性调整率越小,输入电压变化对输出电压影响越小,LDO的性能越好。
(2-2)式中△Vline-LDO线性调整率Vo-LDO名义输出电压Vmax-LDO最大输入电压△V-LDO输入Vo到Vmax‘输出电压最大值和最小值之差.

7.电源抑制比(PSSR)
LDO的输入源往往许多干扰信号存在。PSRR反映了LDO对于这些干扰信号的抑制能力。
