导读:本期文章主要介绍永磁同步电机直接转矩控制,通过MATLAB仿真建模来学习DTC的基本原理,后期会介绍基于两电平三电平SVPWM改进的PMSM直接转矩控制。
如果需要本文的仿真模型,关注微信公众号:浅谈电机控制,获取。
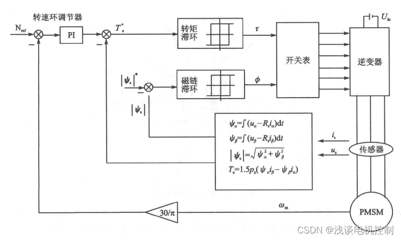
工作原理
不同于矢量控制技术,DTC利用Bang-Bang控制(滞环控制)产生PWM信号,对逆变器的开关状态进行最佳控制,从而获得转矩的高动态性能。 DTC具有自己的特点,它在很大程度上解决了矢量控制中存在的一些问题,如计算的复杂特性,易受电动机参数变化的影响, 实际性能难以达到理论分析结果等。 DTC摒弃了传统矢量控制中的解耦思想,而是将转子磁通定向更换为定子磁通定向,取消了旋转坐标变换,减弱了系统对电机参数的依赖性,通过实时检测电机定子电压和电流,计算转矩和磁链的幅值,并分别与转矩和磁链的给定值比较,利用所得差值来控制定子磁链的幅值及该矢量相对于磁链的夹角,由转矩和磁链调节器直接输出所需的空间电压矢量,从而达到磁链和转矩直接控制的目的。

图1 永磁同步电机直接转矩控制框图

图2永磁同步电机DTC系统开关表
二、仿真建模

图3 永磁同步电机直接转矩控制系统仿真

估算的磁链不怎么正弦,后面换个观测器试试!

图5 电机转矩波形仿真
转矩脉动较大。

图6 定子磁链圆旋转轨迹

图7 定子磁链幅值波形情况
三、总结
传统的DTC采用滞环控制器和开关表对电机磁链和转矩进行定性增减控制,结构简单,动态响应速度快,但由于控制简单粗放,存在转矩脉动较大的问题。
DTC算法简单,参数鲁棒性强,理论上来说DTC只需要电机的定子电阻Rs即可实现高性能调速控制。但由于DTC采用滞环比较器只考虑了误差方向而没有考虑误差大小,因此为实现优良的稳态性能必须采用很高的采样率(通常不低于20kHz)。
后续会尝试对DTC的改进方法进行浮现对比,比如引进SVM、占空比、MPTC以及无差拍等。如果有学友对DTC及改进DTC感兴趣,欢迎关注微信公众号:浅谈电机控制,一起交流学习。