设计要求
1、利用压力传感器检测重量信号,经放大和A/D转换,送单片机进行处理,并在液晶屏上显示出被称重量值;
2、最小显示单位为1克;
3、量程超过报警值蜂鸣器报警
资料下载地址:基于51单片机HX711的电子秤称重计价proteus仿真程序设计资料
仿真图1
系统刚上电显示物体重量和报警值
仿真图2
按下HX711模块的加键,模拟物体称重,超重报警。
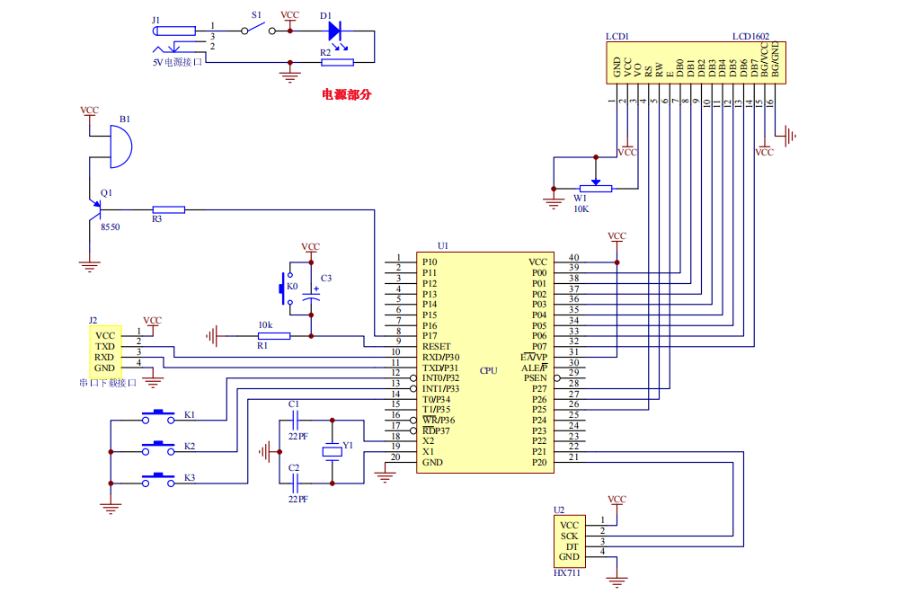
硬件设计
电子称原理图
程序设计
部分程序
/**********************************************************************
***********************************************************************/
#include "main.h"
#include "HX711.h"
#include "uart.h"
#include "LCD1602.h"
unsigned long HX711_Buffer = 0;
unsigned long Weight_Maopi = 0;
long Weight_Shiwu = 0;
unsigned char flag = 0;
bit Flag_ERROR = 0;
sbit speak= P1^7;
//校准参数
//因为不同的传感器特性曲线不是很一致,因此,每一个传感器需要矫正这里这个参数才能使测量值很准确。
//当发现测试出来的重量偏大时,增加该数值。
//如果测试出来的重量偏小时,减小改数值。
//该值可以为小数
#define GapValue 400
//****************************************************
//主函数
//****************************************************
void main()
{
Uart_Init();
Send_Word("Welcome to use!\n");
Send_Word("Made by Beetle Electronic Technology!\n");
Init_LCD1602();
LCD1602_write_com(0x80);
LCD1602_write_word("Welcome to use!");
Delay_ms(1000); //延时,等待传感器稳定
Get_Maopi(); //称毛皮重量
while(1)
{
EA = 0;
Get_Weight(); //称重
EA = 1;
Scan_Key();
//显示当前重量
if( Flag_ERROR == 1)
{
Send_Word("ERROR\n");
LCD1602_write_com(0x80+0x40);
LCD1602_write_word("ERROR ");
speak=0;
}
else
{
speak=1;
Send_ASCII(Weight_Shiwu/1000 + 0X30);
Send_ASCII(Weight_Shiwu%1000/100 + 0X30);
Send_ASCII(Weight_Shiwu%100/10 + 0X30);
Send_ASCII(Weight_Shiwu%10 + 0X30);
Send_Word(" g\n");
LCD1602_write_com(0x80+0x40);
LCD1602_write_data(Weight_Shiwu/1000 + 0X30);
LCD1602_write_data(Weight_Shiwu%1000/100 + 0X30);
LCD1602_write_data(Weight_Shiwu%100/10 + 0X30);
LCD1602_write_data(Weight_Shiwu%10 + 0X30);
LCD1602_write_word(" g");
}
}
}
//****************************************************
//获取毛皮重量
//****************************************************
void Get_Maopi()
{
Weight_Maopi = HX711_Read();
}
//****************************************************
//MS延时函数(12M晶振下测试)
//****************************************************
void Delay_ms(unsigned int n)
{
unsigned int i,j;
for(i=0;i<n;i++)
for(j=0;j<123;j++);
}
LCD1602.h
```handlebars
#include "LCD1602.h"
//****************************************************
//MS延时函数(12M晶振下测试)
//****************************************************
void LCD1602_delay_ms(unsigned int n)
{
unsigned int i,j;
for(i=0;i<n;i++)
for(j=0;j<123;j++);
}
//****************************************************
//写指令
//****************************************************
void LCD1602_write_com(unsigned char com)
{
LCD1602_RS = 0;
LCD1602_delay_ms(1);
LCD1602_EN = 1;
LCD1602_PORT = com;
LCD1602_delay_ms(1);
LCD1602_EN = 0;
}
//****************************************************
//写数据
//****************************************************
void LCD1602_write_data(unsigned char dat)
{
LCD1602_RS = 1;
LCD1602_delay_ms(1);
LCD1602_PORT = dat;
LCD1602_EN = 1;
LCD1602_delay_ms(1);
LCD1602_EN = 0;
}
//****************************************************
//连续写字符
//****************************************************
void LCD1602_write_word(unsigned char *s)
{
while(*s>0)
{
LCD1602_write_data(*s);
s++;
}
}
void Init_LCD1602()
{
LCD1602_EN = 0;
LCD1602_RW = 0; //设置为写状态
LCD1602_write_com(0x38); //显示模式设定
LCD1602_write_com(0x0c); //开关显示、光标有无设置、光标闪烁设置
LCD1602_write_com(0x06); //写一个字符后指针加一
LCD1602_write_com(0x01); //清屏指令
}
全套资源如下


版权声明:本文为qq_35654286原创文章,遵循CC 4.0 BY-SA版权协议,转载请附上原文出处链接和本声明。