汽车电器的电原理图主要由各种单元电路组成,各单元电路又由各种元器件根据不同功能的需要组合而成。因此,要想轻松看懂汽车电器电路图,首先要认识电路图中各种元器件(零部件)的符号并懂得一些与其有关的基本知识。特别是各种元器件的符号,希望初学者一定要熟悉它们,并牢记不忘。
常用端子、导线、插件、连接片、屏蔽、边界线类符号
在汽车电路图中,汽车各种常用的端子、导线、插件、连接片、屏蔽、边界线类符号如表1-24所示,供识图时参考。

表1-24
表1-24 汽车电路图中端子、导线、插件、连接片、屏蔽、边界线类符号
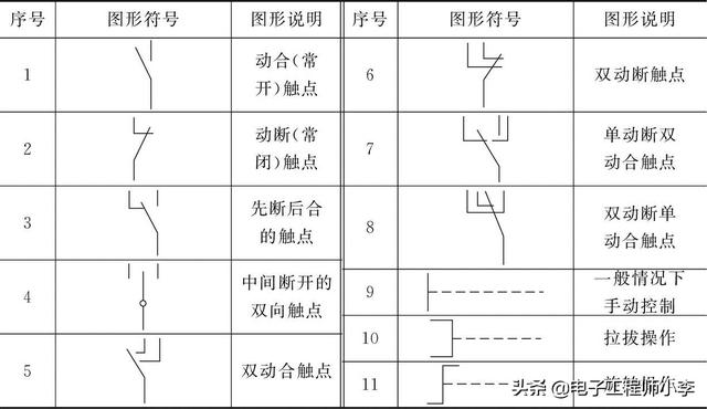
常用开关类符号
在汽车电路图中,汽车各种常用开关类电器在电路中的图形符号如表1-25所示,供识图时参考。
图1-25 各种开关在电路中的图形符号

续表

常用传感器类符号
在汽车电路图中,汽车各种常用传感器类电器在电路中的图形符号如表1-26所示,供识图时参考。

表1-26 各种传感器在电路中的图形符号
常用仪表类电器符号
在汽车电路图中,汽车各种常用仪表类电器在电路中的图形符号如表1-27所示,供识图时参考。

表1-27 汽车各种常用仪表在电路中的图形符号
常用半导体元器件、电容、电阻、电感、熔断器、电磁铁、继电器类电器符号
在汽车电路图中,汽车各种常用半导体元器件、电容、电阻、电感、熔断器、电磁铁、继电器类电器在电路中的图形符号如表1-28所示,供识图时参考。
表1-28 半导体元器件、电容、电阻、电感、熔断器、电磁铁、继电器在电路中的图形符号

续表

其他常用元器件类电器符号
在汽车电路图中,汽车其他常用元器件在电路中的图形符号如表1-29所示,供识图时参考。
表1-29 汽车其他常用元器件在电路中的图形符号

续表

续表

续表
