1.Charger 特性
(1)控制输入电压、输入电流
(2)控制充电阶段的电压(预充电转恒流充电压、恒压充电压)、电流(预充电、恒流充电、截止电流)、充电时间
(3*)ADC 采样测量充电的电流、电压、电池电压、PMID 电压等(BQ25150)
(4)中断报警功能
(5)温敏电阻 NTC 监控温度,超过范围停止充电
(6)内置定时器
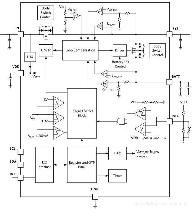
1.1 功能框图
MP2661具有完整充电功能:涓流充电、恒流充电、恒压充电、充电终止、自动再充以及内置定时器。
IN/VBUS——电源输入(Type-C或无线)BATT——电池正极SYS——系统供电INT——向主机发送中断NTC——接温敏电阻NTC,用于监测电池温度
1.2 充电过程

(1)涓流充电 Trickle current charge
- 当电池电压低于一定阈值
(eg: 3.0V)时,采用涓流充电 - 涓流充电电流可编程,通常为恒流充电的10%
(eg:20mA) - 涓流充电时定时器计时,若超过设定时间
(eg:1h),充电终止并产生中断报错
(2)恒流充电Constant current charge
- 当电池电压超过一定阈值
(eg: 3.0V)时,进入恒流充电阶段 - 恒流充电电流可编程,可根据电池容量和特性选择充电电流
(eg:0.4C) - 恒流充电时定时器计时,若超过设定时间
(eg:3h),充电终止并产生中断报错
(3)恒压充电Constant voltage charge
- 当电池电压超过一定阈值
(eg: 4.2V)时,进入恒压充电阶段 - 恒压充电过程中电流逐渐减小
1.3 状态机

(1)电池放电模式 Battery Discharge Mode
- 很常见的一种模式,即电池
BATT给系统SYS供电。
(2)电池充电模式 Battery Charge Mode
- 常见模式,存在充电输入,充电电流一部分用来给电池充电,另一部分给系统供电。
(3)电池供电模式 Battery Supplement Mode
- 当存在充电输入时,由于系统用电消耗过大,充电输入的电流全部用来提供系统用电,仍不能满足,则剩余电量由电池提供。
(4)运输模式 Shipping Mode
- 将电池与系统断开,防止电池在运输或存储过程中过放电。
(5)系统供电模式 Only Power System Mode
- 电池电量充满,但充电输入仍然存在,则充电输入只用来给系统供电。
2.软件配置
未完待续…
3.注意事项
不同型号Charger的充电过程基本类似,但在某些细节功能上也有差异,在编写驱动时注意以下问题:
- 看门狗是否使用,如果使用则需要MCU定时复位看门狗(喂狗),否则配置的参数将变成默认值
- 充电功能是否默认使能,有些Charger的充电通路(VIN–>VBAT)默认是关闭的,需要在寄存器中使能
- 是否使用NTC,如果使用NTC功能需要硬件支持,如果没贴NTC电阻,将有可能导致Charger温度异常终止充电。
版权声明:本文为la_fe_原创文章,遵循CC 4.0 BY-SA版权协议,转载请附上原文出处链接和本声明。