电源电路设计中,功能性设计主要考虑温升和纹波大小。温升大小由结构散热和效率决定;输出纹波除了采用输出滤波外,输出滤波电容的选取也很关键:大电容一般采用低ESR电容,小电容采用0.1UF和1000pF共用。电源电路设计中,电磁兼容设计是关键设计。主要涉及的电磁兼容设计有:传导发射和浪涌。
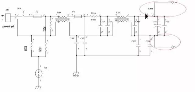
传导发射设计一般采用输入滤波器方式。外部采购的滤波器内部电路一般采用下列电路:

Cx1和Cx2为X电容,防止差模干扰。差模干扰大时,可增加其值进行抑制;Cy1和Cy2为Y电容,防止共模干扰。共模干扰大时,可增加其值进行抑制。需要注意的是,如自行设计滤波电路,Y电容不可设计在输入端,也不可双端都加Y电容。
浪涌设计一般采用压敏电阻。差模可根据电源输入耐压选取;共模需要电源输入耐压和产品耐压测试综合考虑。
当浪涌能量大时,也可考虑压敏电阻(或TVS)与放电管组合设计。
1、电源输入部分的EMC设计
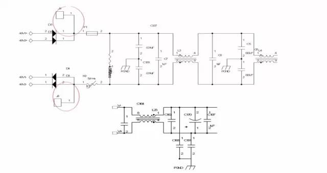
应遵循①先防护后滤波;②CLASS B规格要求的电源输入端推荐两级滤波电路,且尽量靠近输入端;③在电源输入端滤波电路前和滤波电路中无采样电路和其它分叉电路;如果一定有采样电路,采样电路应额外增加了足够的滤波电路。
原因说明:
①先防护后滤波:
第一级防护器件应在滤波器件之前,防止滤波器件在浪涌、防雷测试中损坏,或导致滤波参数偏离,第二级保护器件可以放在滤波器件的后面;选择防护器件时,还应考虑个头不要太大,防止滤波器件在PCB布局时距离接口太远,起不到滤波效果。

②CLASS B规格要求的电源输入端推荐两级滤波电路,且尽量靠近输入端:
CLASSB要求比CLASS A要求小10dB,即小3倍,所以应有两级滤波电路;CLASSA规格要求至少一级滤波电路;所谓一级滤波电路指包含一级共模电感的滤波电路。

③在电源输入端滤波电路前和滤波电路中无采样电路和其它分叉电路;如果一定有采样电路,采样电路应额外增加了足够的滤波电路:
电源采样电路应从滤波电路后取;

如果采用电路精度很高,必须从电源输入口进行采样时,必须增加额外滤波电路。

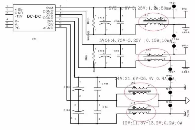
2、电源输出部分的EMC设计
应遵循①电源模块输出一定要求有滤波措施,推荐使用共模电感或差模电感;②长距离电源走线是否预留足够电容组10uF/0.1uF或1uF/0.01uF,应考虑PCB板每间隔187.5px放置一对。
原因说明:
①电源模块输出一定要求有滤波措施,推荐使用共模电感或差模电感:
用共模电感进行滤波,防止开关电源的噪声串到整个单板的电源、地上;

用磁珠进行滤波,防止开关电源的噪声串到整个单板的电源、地上;

在电源输出端设计Y电容时,需斟酌,如有螺钉可使Y电容就近接地时,可考虑增加,否则不用。
②长距离电源走线是否预留足够电容组10uF/0.1uF或1uF/0.01uF,应考虑PCB板每间隔187.5px放置一对:
当电源模块有多路电源输出时,比如提供给通讯接口的通讯电源、地,提供给传感器供电的12V、24V电源、地,提供给继电器驱动用的12V电源、地,均会存在长距离走线问题,为了使电源、地之间的阻抗最小,且回路最小,应每隔187.5px增加一对电容。
3、电源转换芯片的EMC设计
应遵循电源转换芯片输入输出端应并联BULK电容和去耦电容;电容容值应依据芯片手册推荐,或者依据驱动能力来估算;开关转换芯片输出应考虑磁珠进行滤波。
