数电技术基础大恶补04:CMOS门电路
目录
1.CMOS反相器结构与原理

如上图,一P一N的增强型MOS管组合成了CMOS反相器。
无论输入是高电平还是低电平,两个MOS管总是一个截至一个导通,即为所谓的互补关系,而CMOS中的C就是互补的意思。
2.CMOS反相器的电压电流传输特性
电压:
电流:
由以上两幅图可知,CMOS管可以输出较高质量的0和1;而在从电流曲线可以看出,在切换高低电平的时候会产生尖峰电流,考虑到这一特点,在使用此类器件时不应长时间工作在BC段,防止功耗过大而损坏。
3.输入噪声容限
定义:在保证高低电平的变化大小不超过规定的允许限度的条件下,允许输入的高低电平的波动范围。
这里注意一点,CMOS电路的噪声容限大小是和VDD有关的,VDD越高,噪声容限越大。
4.CMOS反相器的静态特性
输入特性:
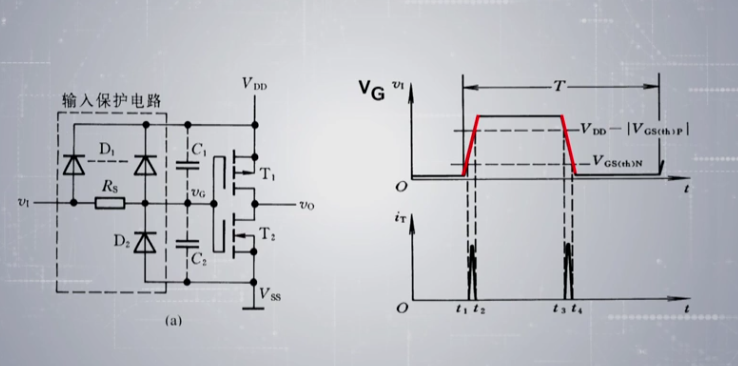
目前生产的CMOS集成电路都采用了各式各样的输入保护电路,常用的有:
Rs的阻值一般在1.5~2.5千欧之间。C1、C2分别表示T1、T2的栅极等效电容。此电路的输入特性:
当电压取到VDD+0.7v的时候,电流基本为0,所以从功耗考虑,应根据输入特性来限制输出电压。
输出特性:
低电平输出特性:

当输入为高电平时,下边的MOS算GS间有电压,因此导通,而上边的MOS管截至,此时输出低电平VOL;其特性曲线如上图,相同的低电平输出,VDD越大,输出的电流也越大。
高电平输出特性:


当输入为低电平时,上边的MOS算GS间有电压,因此导通,而下边的MOS管截至,此时输出高电平VOH;其特性曲线如上图,相同的高电平输出,VDD越大,输出的电流也越大。
总结:反相器输出的高低电平是与负载电流的大小有关的,在查阅器件手册给出的数据时,要注意是在什么样的负载电流下得到的。
5.CMOS反相器动态特性
①传输延迟时间
由于MOS电极之间存在寄生电容,在输出端不可避免的存在负载电容,这些电容的充放电便导致了电路的传输延迟,在CMOS电路中,延迟时间Tphl和Tplh通常是相等的,所以经常用平均传输延迟Tpd表示。
②交流噪声容限
由于负载电容和MOS管寄生电容的存在,输入信号状态变化时必须有足够的变化幅度和作用时间才能使输出改变状态。当输人信号为窄脉冲,而且脉冲宽度接近于门电路传输延迟时间的情况下,为使输出状态改变,所需要的脉冲信号幅度将远大于直流输入信号的幅度。因此,反相器对这类窄脉冲的噪声容限一交流噪声 容限远高于前面所讲过的直流噪声容限。而且,传输延迟时间越长,交流噪声容限也越大。
③动态功耗
动态功耗由两部分组成:电容充放电功耗PC以及从0变1、1变0的导通功率PT。
而对于PT,它的变化曲线可由下图经P = UI 推导
总结:CMOS反相器的动态功耗要比静态功耗大得多,这时静态功耗可忽略不计。
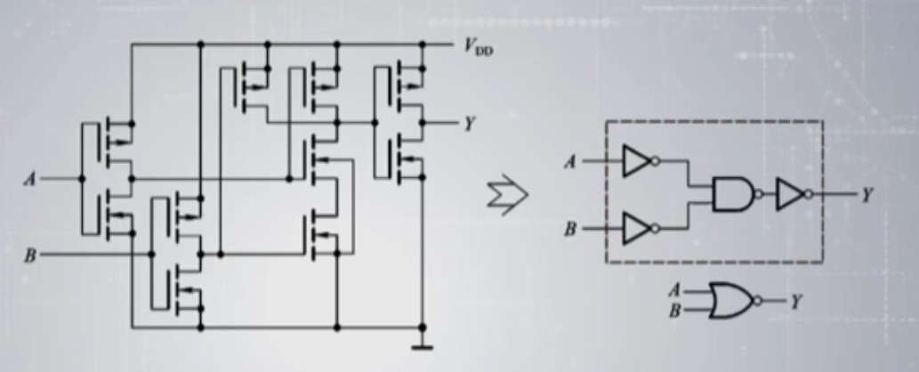
6.其他类型的CMOS门电路
CMOS与非门:Y = (A B)’
CMOS或非门:Y = (A + B)’

怎么画出(A (B + C))’ 的电路简化结构呢?
先画出下拉部分
在画出上拉部分
最后得出
7.带缓冲级的CMOS门电路
为了克服CMOS与非门中输入数目越多,Vol变高,Voh变高的问题。
这里假定每个MOS管的内阻都是Ron
解决的办法:带缓冲级的CMOS门
同样的或非也是如此,加进去的具有标准参数的反相器称为缓冲器。
8.分模块读复杂电路

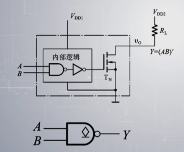
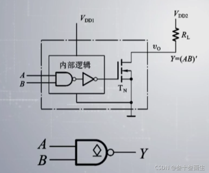
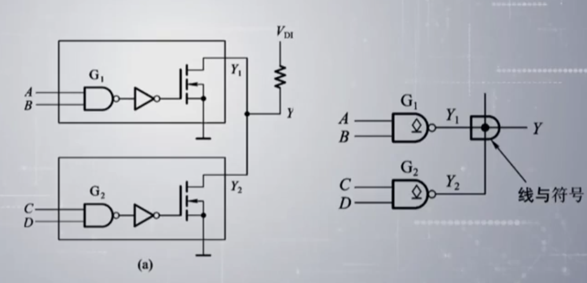
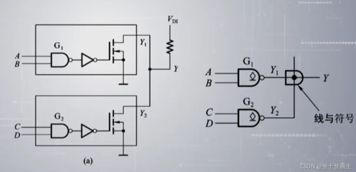
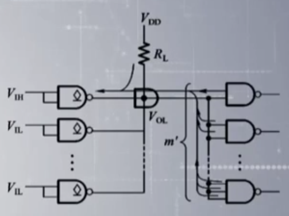
9.漏极开路输出门电路(OD门)

它的功能:实现线与
注意:OD门在使用时,必须将输出经上拉电阻到电源,不能独立存在,只是用来改善电路的。
这里的电阻RL怎么选呢?首先要保证输出高电平不低于规范的数值,RL不能取得过大。

再保证负载的电流不超过MOS管允许的最大电流,RL的阻值不能太小。

10.CMOS传输门

传输门属于双向器件,它的输入输出端可以互易使用。因此可以用作双向模拟开关:
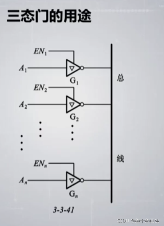
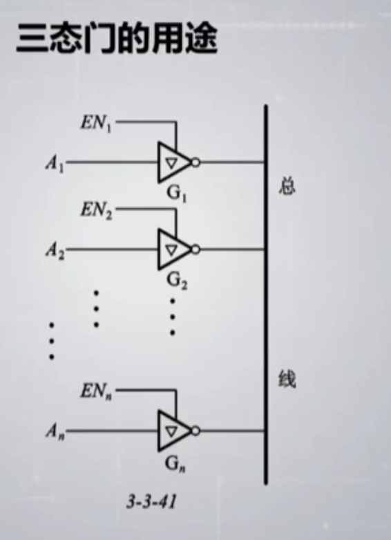
11.三态门

高阻态:物理连接有效,但是电气连接无效,电气上是断路的。
三态门能应用于总线!
12.CMOS IC的正确使用
静电防护————防止产生静电高压损坏CMOS器件
过流保护————在大电容、接长线、低内阻信号源时,加入保护电阻
锁定效应,也叫控硅效应————CMOS电路中的特有问题,会造成器件的永久失效