前面有讲述台湾安格AG9311可以设计多功能USB TYPEC 拓展坞或者拓展器等产品,此类产品其用途:有TYPEC接口的笔记本电脑或TYPE-C接口的智能手机等配件用来实现手机投屏或者MAC端口实现多功能实时操作、资源共享等。
AG9311有两种封装形式AG9311MAQ与AG9311MCQ,其两者的性能差异如下所示:

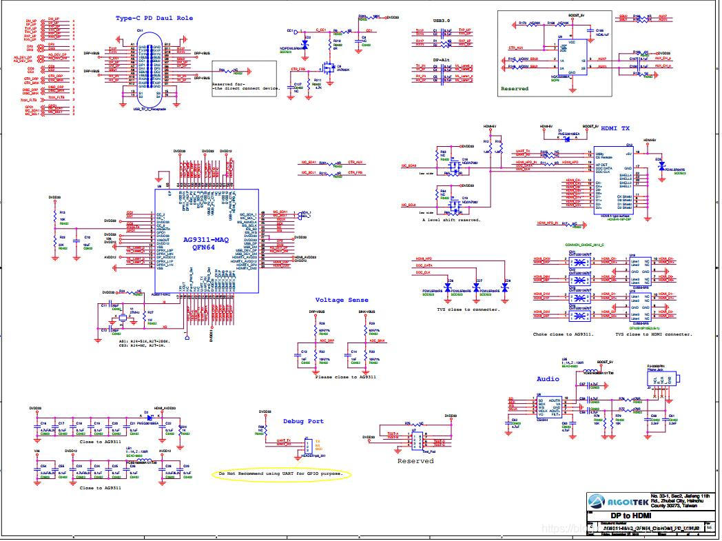
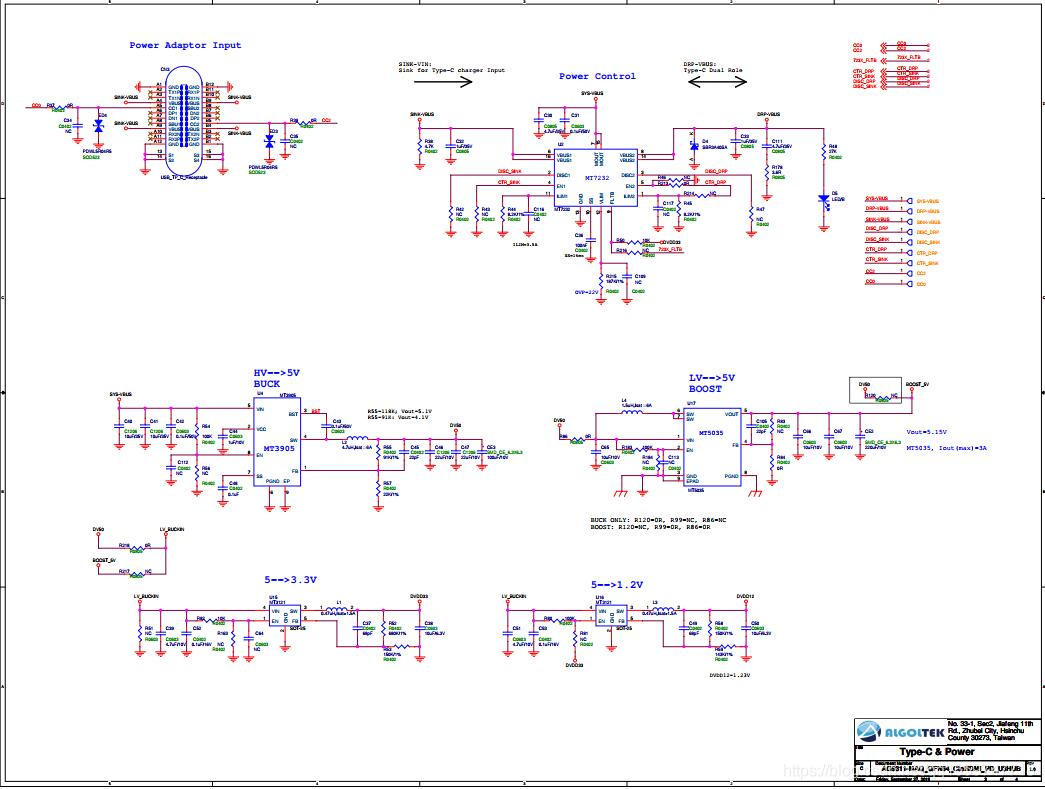
现在我们想设计一款多功能的USB TYPEC转HDMI拓展坞,且实现TYPEC转HDMI+ PD+ BB + USB3.1 HUB(RJ45/CF/TF/ CD/多口USB3.1 Type-A)功能需要用AG9311MAQ来进行设计,下面我们来详细讲解一下AG9311MAQ的性能特点:

AG9311MAQ设计USB TYPE-C转HDMI+PD20V充电+BB+USB3.1(RJ45/读卡器/USB3.1 Type-A)结构方框图
AG9311MAQ设计USB TYPE-C转HDMI+PD20V充电+BB+USB3.1(RJ45/读卡器/USB3.1 Type-A) 原理图参考电路讲解如下:
1.AG9311MAQ在设计TYPEC转HDMI部分电路原路图如下所示:

2. AG9311MAQ在设计PD3.0快速充电部分的原理图参考电路如下:

3.AG9311MAQ在设计USB3.0 HUB多功能扩展输出部分,如RJ45 SD卡 TF卡 MI SD卡 3.5音频输出 等功能电路原路图参考如下;
此外,我们还可以集成其他一些功能如USB-C转VGA,另外需要高端音质效果的输出,需要额外添加USB TYPEC音频芯片SSS1530来实现,后续我们会逐步进行讲解。
AG9311MAQ 实现多功能TYPEC扩展坞或者拓展器完整的参考电路原理图:
版权声明:本文为qq1659747718原创文章,遵循CC 4.0 BY-SA版权协议,转载请附上原文出处链接和本声明。