2022TI杯D题混沌信号产生实验装置
前言
如题所示,刚刚参加完2022年TI杯电子设计大赛D题混沌信号产生实验装置的设计。依据经典蔡氏电路使用电阻、电容和5个运放芯片进行电路设计,单电源供电,利用双通道示波器进行相图观察,实现了单周期信号、双倍周期信号,幅值不小于输入电源80 % 80\%80%的单螺旋信号和双螺旋信号。
其中未完成三倍周期信号和带宽40MHZ的设计。
写下这篇文章作为记录,以及供后来训练的人来作为电路参考设计。
总体方案描述
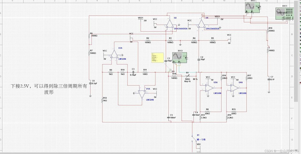
如下图所示,该电路为我们组实验完成的全部实际电路设计。

下面将对每个模块具体参数进行描述。
混沌信号振荡电路设计
混沌信号产生电路最早由蔡少棠提出,后续也有其他电路如范德坡电路和考必兹电路,进而产生混沌信号。由于题目限制只能用电阻、电容和运放芯片进行设计,选择最经典(最容易找到资料)的蔡氏电路进行设计。
经典的蔡氏电路包含可变电阻 R(计算时常用其电导 G=1/R 作参数)、电容 C1 和 C2、电感 L 以及非线性负阻 Nr,如下图所示。
其中由LM324N实现的非线性负电阻的直流传输特性在Multisim上仿真图像如下图所示(好像有点不太像的说)

总体的设计电路图如下图所示,由4个LM324N运放芯片组成,有源模拟电感和非线性负电阻各2个芯片,运放电路(对两个信号中较大的部分进行放大)由一个OPA354芯片组成。各元件参数需要严格按照电路图中的值进行使用,否则可能导致电路无法起振(问就是换了3种芯片都没有起振的经验)。

运放电路设计
运放电路采用OPA354轨对轨宽带宽放大芯片进行设计,用正向放大电路进行设计,通过改变反馈电阻R1从而改变放大倍数,我们实际使用的R1大概为13K欧姆,刚好能放大到要求的5V× \times× 80%=4V,如果采用该电路可以根据实际进行调整。大电容C1与前级之间进行直流隔置,芯片采用单电源+5V进行供电,4脚接地即可(OPA354两脚压差不能超过5.5V,仿真图片是错误的,使用时需要注意,按照该图芯片会直接烧坏)

实际产生波形
如我在前言中所说,最终该方案实现了单周期信号、双周期信号,不小于输入电源80%的单螺旋信号和双螺旋信号,实际在示波器上观察到的波形如下列图片所示。
蔡氏电路在只使用电阻、电容以及不超过6个运放的情况下很难达到题目要求的带宽40M,过M的带宽也很难实现,我们没有考虑去达到这个指标,故没有进行相关的设计。



