【芯片引脚图】
图CD4017-1 CD4017芯片引脚图
【芯片功能概述】
表CD4017-2 CD4017芯片真值表
图CD4017-3 CD4017芯片时序图
【芯片实例讲解】
实例一:输出十进制0~9
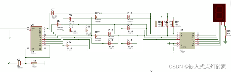
图CD4017-4 利用CD4017芯片作为部分器件输出0~9
在该电路中,为保证使能端有效,我们将CD4017的使能端接低电平;为保证数码管最开始显示的数字为0,我们采用复位电路使得系统上电后MR脚进行初始化。CO脚在级联时会用到,所以这里进行悬空操作。
为使数码管输出09,CD4511译码器模块采用<DPP-1>标准进行焊接,此外须在译码器的4个输入端连接下拉电阻。二极管网络覆盖Q0Q9,分别表示0`9这10个数字,特别注意的是Q0管浮空以表示数字0。
实例二:输出十进制0~8
图CD4017-5 利用CD4017芯片作为部分器件输出0~8
在该电路中,为保证使能端有效,我们将CD4017的使能端接低电平;为保证数码管最开始显示的数字为0,我们采用复位电路使得系统上电后MR脚进行初始化。CO脚在级联时会用到,所以这里进行悬空操作。
为使数码管输出08,CD4511译码器模块采用<DPP-1>标准进行焊接,此外须在译码器的4个输入端连接下拉电阻。二极管网络覆盖Q0Q8,分别表示0`8这9个数字,特别注意的是Q0管浮空以表示数字0。
为使0~8这9个数字显示的周期相同,可将Q9脚连接至MR端,如此一来脉冲给至Q9脚时可迅速将电路复位,即数码管显示数字0。
实例三:输出十进制1~9
图CD4017-6 利用CD4017芯片作为部分器件输出1~9
在该电路中,为保证使能端有效,我们将CD4017的使能端接低电平;为保证数码管最开始显示的数字为0,我们采用复位电路使得系统上电后MR脚进行初始化。CO脚在级联时会用到,所以这里进行悬空操作。
为使数码管输出19,CD4511译码器模块采用<DPP-1>标准进行焊接,此外须在译码器的4个输入端连接下拉电阻。二极管网络覆盖Q0Q8,分别表示19这9个数字,特别注意的是Q0Q8上的电阻网络和<实例一>中Q1~Q9的电阻网络相同。
为使1~9这9个数字显示的周期相同,故可将Q9脚连接至MR端,如此一来脉冲给至Q9脚时可迅速将电路复位,即数码管显示数字1。
实例四:输出十进制n~m
对前三个例子进行一个总结,我们可以得出在原有电路的框架内可以构建出一个输出n~m的模块。其中n和m符合{(n,m)|n,m属于[0,9]且m>n}。
1)若n=0,二极管从Q1开始焊接,并使Q(m+1)连接至MR。特别情况:若m=9,则无需连接MR脚。
2)若n!=0,二极管从Q0开始焊接,且Q0的码值为n。并使Q(m+1)连接至MR。特别情况:若m=9,则无需连接MR脚。
实例五:CD4017的级联
上面所有的例子都没有用到CO脚,在CD4017级联时将会用到。根据该款芯片的时序图可得,可将前级的CO脚接至后级的CLK脚以完成级联。
【模块成品讲解】
CD4017构成的成品见,该成品可输出0~9的数字。该电路模块的MR脚接的不是复位电路,而是单纯的下拉电阻;若将模块焊接后发现上电初值不为0,则可将下拉电阻换成复位电路模块。
【芯片真题考察】
1)2004年考察输出“0-1-2-4-8-0-8-4-2-1”这几个数字
2)2005年考察输出“1-4-7-2-5-8-3-6-9”这几个数字
3)2006年考察分频输出。
4)2008年考察输出“2-0-0-8-空-8-.-8-空-空”这几个数字。
5)2010年考察驱动流水灯。
6)2013年考察输出“1-2-3-4-5-6-7-8”这几个数字。
7)2014年考察输出“0-1-2-3-4-5-6-7-8-9”这几个数字。
8)2015年考察驱动流水灯和分频输出。
9)2017年考察输出“0.0-3.0-4.5-5.0-6.0”这几个浮点数(一个芯片)。
10)2018年考察数码管显示和分频输出。