
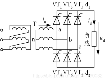
三相桥式全控整流电路原理图
■原理图
◆阴极连接在一起的3个晶闸管(VT1,VT3,VT5)称为共阴极组;阳极连接在一起的3个晶闸管(VT4,VT6,VT2)称为共阳极组。
◆共阴极组中与a,b,c三相电源相接的3个晶闸管分别为VT1,VT3,VT5,共阳极组中与a,b,c三相电源相接的3个晶闸管分别为VT4,VT6,VT2。
◆晶闸管的导通顺序为VT1-VT2-VT3-VT4-VT5-VT6。
■带电阻负载时的工作情况
◆电路分析


三相桥式全控整流电路电阻负载a=0°时晶闸管工作情况
■带电阻负载时的工作情况
◆电路分析
☞各自然换相点既是相电压的交点,同时也是线电压的交点。
☞当a≤60°时
√ud波形均连续,对于电阻负载,id波形与ud波形的形状是一样的,也连续。
√a=0°时,ud为线电压在正半周的包络线。
三相桥式全控整流电路电阻负载a=0°时晶闸管工作情况
时段 | Ⅰ | Ⅱ | Ⅲ | Ⅳ | Ⅴ | Ⅵ |
共阴极组中导通的晶闸管 | VT1 | VT1 | VT3 | VT3 | VT5 | VT5 |
共阳极组中导通的晶闸管 | VT6 | VT2 | VT2 | VT4 | VT4 | VT6 |
整流输出电压ud | ua-ub=uab | ua-uc=uac | ub-uc=ubc | ub-ua=uba | uc-ua=uca | uc-ub=ucb |
√a=30°时,晶闸管起始导通时刻推迟了30°,组成ud的每一段线电压因此推迟30°,ud平均值降低,波形见左下图。
√a=60°时,ud波形中每段线电压的波形继续向后移,ud平均值继续降低。a=60°时ud出现了为零的点,波形见右下图。

☞当a>60°时
√因为id与ud一致,一旦ud降为至零,id也降至零,晶闸管关断,输出整流电压ud为零,ud波形不能出现负值。
√a=90°时的波形如图。

◆三相桥式全控整流电路的一些特点
☞每个时刻均需2个晶闸管同时导通,形成向负载供电的回路,共阴极组的和共阳极组的各1个,且不能为同一相的晶闸管。
☞对触发脉冲的要求
√6个晶闸管的脉冲按VT1-VT2-VT3-VT4-VT5-VT6的顺序,相位依次差60° 。
√共阴极组VT1、VT3、VT5的脉冲依次差120°,共阳极组VT4、VT6、VT2也依次差120° 。
√同一相的上下两个桥臂,即VT1与VT4,VT3与VT6,VT5与VT2,脉冲相差180° 。
☞整流输出电压ud一周期脉动6次,每次脉动的波形都一样,故该电路为6脉波整流电路。
☞在整流电路合闸启动过程中或电流断续时,为确保电路的正常工作,需保证同时导通的2个晶闸管均有脉冲
√宽脉冲触发 :使脉冲宽度大于60°(一般取80°~100°)
√双脉冲触发 :用两个窄脉冲代替宽脉冲,两个窄脉冲的前沿相差60°,脉宽一般为20°~30° 。
√常用的是双脉冲触发。
☞晶闸管承受的电压波形与三相半波时相同,晶闸管承受最大正、反向电压的关系也一样。
■阻感负载时的工作情况
◆电路分析
☞当a≤60°时
√ud波形连续,电路的工作情况与带电阻负载时十分相似,各晶闸管的通断情况、输出整流电压ud波形、晶闸管承受的电压波形等都一样。
√区别在于电流,当电感足够大的时候,id、iVT、ia的波形在导通段都可近似为一条水平线。
√a=0°时的波形见图,a=30°时的波形见图。
☞当a>60°时
√由于电感L的作用,ud波形会出现负的部分。
√a=90°时的波形见图。
■基本数量关系
◆带电阻负载时三相桥式全控整流电路a角的移相范围是120°,带阻感负载时,三相桥式全控整流电路的a角移相范围为90°。
◆整流输出电压平均值
☞带阻感负载时,或带电阻负载a≤60°时
☞带电阻负载且a>60°时
◆输出电流平均值为Id=Ud/R。
◆当整流变压器为图中所示采用星形接法,带阻感负载时,变压器二次侧电流波形如图中所示,为正负半周各宽120°、前沿相差180°的矩形波,其有效值为:
晶闸管电压、电流等的定量分析与三相半波时一致。
◆三相桥式全控整流电路接反电势阻感负载时的Id为:
式中R和E分别为负载中的电阻值和反电动势的值。