数字逻辑电路的用途和特点
数字电子电路中的后起之秀是数字逻辑电路。把它叫做数字电路是因为电路中传递的虽然也是脉冲,但这些脉冲是用来表示二进制数码的,例如用高电平表示“ 1 ”,低电平表示“ 0 ”。声音图像文字等信息经过数字化处理后变成了一串串电脉冲,它们被称为数字信号。能处理数字信号的电路就称为数字电路。
这种电路同时又被叫做逻辑电路,那是因为电路中的“ 1 ”和“ 0 ”还具有逻辑意义,例如逻辑“ 1 ”和逻辑“ 0 ”可以分别表示电路的接通和断开、事件的是和否、逻辑推理的真和假等等。电路的输出和输入之间是一种逻辑关系。这种电路除了能进行二进制算术运算外还能完成逻辑运算和具有逻辑推理能力,所以才把它叫做逻辑电路。
由于数字逻辑电路有易于集成、传输质量高、有运算和逻辑推理能力等优点,因此被广泛用于计算机、自动控制、通信、测量等领域。一般家电产品中,如定时器、告警器、控制器、电子钟表、电子玩具等都要用数字逻辑电路。
数字逻辑电路的第一个特点是为了突出“逻辑”两个字,使用的是独特的图形符号。数字逻辑电路中有门电路和触发器两种基本单元电路,它们都是以晶体管和电阻等元件组成的,但在逻辑电路中我们只用几个简化了的图形符号去表示它们,而不画出它们的具体电路,也不管它们使用多高电压,是 TTL 电路还是 CMOS 电路等等。按逻辑功能要求把这些图形符号组合起来画成的图就是逻辑电路图,它完全不同于一般的放大振荡或脉冲电路图。
数字电路中有关信息是包含在 0 和 1 的数字组合内的,所以只要电路能明显地区分开 0 和 1 , 0 和 1 的组合关系没有破坏就行,脉冲波形的好坏我们是不大理会的。所以数字逻辑电路的第二个特点是我们主要关心它能完成什么样的逻辑功能,较少考虑它的电气参数性能等问题。也因为这个原因,数字逻辑电路中使用了一些特殊的表达方法如真值表、特征方程等,还使用一些特殊的分析工具如逻辑代数、卡诺图等等,这些也都与放大振荡电路不同。
门电路和触发器
( 1 )门电路
门电路可以看成是数字逻辑电路中最简单的元件。目前有大量集成化产品可供选用。
最基本的门电路有 3 种:非门、与门和或门。非门就是反相器,它把输入的 0 信号变成 1 , 1 变成 0 。这种逻辑功能叫“非”,如果输入是 A ,输出写成 P=A 。与门有 2 个以上输入,它的功能是当输入都是 1 时,输出才是 1 。这种功能也叫逻辑乘,如果输入是 A 、 B ,输出写成 P=A·B 。或门也有 2 个以上输入,它的功能是输入有一个 1 时,输出就是 1 。这种功能也叫逻辑加,输出就写成 P=A + B 。
把这三种基本门电路组合起来可以得到各种复合门电路,如与门加非门成与非门,或门加非门成或非门。图 1 是它们的图形符号和真值表。此外还有与或非门、异或门等等。

数字集成电路有 TTL 、 HTL 、 CMOS 等多种,所用的电源电压和极性也不同,但只要它们有相同的逻辑功能,就用相同的逻辑符号。而且一般都规定高电平为 1 、低电平为 0 。
( 2 )触发器
触发器实际上就是脉冲电路中的双稳电路,它的电路和功能都比门电路复杂,它也可看成是数字逻辑电路中的元件。目前也已有集成化产品可供选用。常用的触发器有 D 触发器和 J—K 触发器。
D 触发器有一个输入端 D 和一个时钟信号输入端 CP ,为了区别在 CP 端加有箭头。它有两个输出端,一个是 Q 一个是 Q ,加有小圈的输出端是 Q 端。另外它还有两个预置端 R D 和 S D ,平时正常工作时要 R D 和 S D 端都加高电平 1 ,如果使 R D =0 ( S D 仍为 1 ),则触发器被置成 Q=0 ;如果使 S D =0 ( R D =1 ),则被置成 Q=1 。因此 R D 端称为置 0 端, S D 端称为置 1 端。D 触发器的逻辑符号见图 2 ,图中 Q 、 D 、 SD 端画在同一侧;Q 、R D 画在另一侧。R D 和 S D 都带小圆圈,表示要加上低电平才有效。

D 触发器是受 CP 和 D 端双重控制的, CP 加高电平 1 时,它的输出和 D 的状态相同。如 D=0 , CP 来到后, Q=0 ;如 D=1 , CP 来到后, Q=1 。CP 脉冲起控制开门作用,如果 CP=0 ,则不管 D 是什么状态,触发器都维持原来状态不变。这样的逻辑功能画成表格就称为功能表或特性表,见图 2 。表中 Q n+1 表示加上触发信号后变成的状态, Qn 是原来的状态。“ X ”表示是 0 或 1 的任意状态。
有的 D 触发器有几个 D 输入端: D 1 、 D 2 … 它们之间是逻辑与的关系,也就是只有当 D 1 、 D 2 … 都是 1 时,输出端 Q 才是 1 。
另一种性能更完善的触发器叫 J - K 触发器。它有两个输入端:J 端和 K 端,一个 CP 端,两个预置端:R D 端和 S D 端,以及两个输出端:Q 和 Q 端。它的逻辑符号见图 3 。J - K 触发器是在 CP 脉冲的下阵沿触发翻转的,所以在 CP 端画一个小圆圈以示区别。图中, J 、 S D 、 Q 画在同一侧, K 、 R D 、 Q 画在另一侧。

J - K 触发器的逻辑功能见图 3 。有 CP 脉冲时(即 CP=1 ):J 、 K 都为 0 ,触发器状态不变;Q n + 1 =Qn , J = 0 、 K=1 ,触发器被置 0 :Q n + 1 =0 ;J=1 、 K=0 , Q n+1 =1 ;J=1 、 K=1 ,触发器翻转一下:Q n + 1 =Qn 。如果不加时钟脉冲,即 CP=0 时,不管 J 、 K 端是什么状态,触发器都维持原来状态不变:Q n + 1 =Qn 。有的 J—K 触发器同时有好几个 J 端和 K 端, J 1 、 J 2 … 和 K 1 、 K 2 … 之间都是逻辑与的关系。有的 J - K 触发器是在 CP 的上升沿触发翻转的,这时它的逻辑符号图的 CP 端就不带小圆圈。也有的时候为了使图更简洁,常常把 R D 和 S D 端省略不画。
能够把数字、字母变换成二进制数码的电路称为编码器。反过来能把二进制数码还原成数字、字母的电路就称为译码器。
( 1 )编码器
图 4 ( a )是一个能把十进制数变成二进制码的编码器。一个十进制数被表示成二进制码必须 4 位,常用的码是使从低到高的每一位二进制码相当于十进制数的 1 、 2 、 4 、 8 ,这种码称为 8 - 4 - 2 - 1 码或简称 BCD 码。所以这种编码器就称为“ 10 线 -4 线编码器”或“ DEC / BCD 编码器”。


从图看到,它是由与非门组成的。有 10 个输入端,用按键控制,平时按键悬空相当于接高电平 1 。它有 4 个输出端 ABCD ,输出 8421 码。如果按下“ 1 ”键,与“ 1 ”键对应的线被接地,等于输入低电平 0 、于是门 D 输出为 1 ,整个输出成 0001 。
如按下“ 7 ”键,则 B 门、 C 门、 D 门输出为 1 ,整个输出成 0111 。如果把这些电路都做在一个集成片内,便得到集成化的 10 线 4 线编码器,它的逻辑符号见图 4 ( b )。左侧有 10 个输入端,带小圆圈表示要用低电平,右侧有 4 个输出端,从上到下按从低到高排列。使用时可以直接选用。
( 2 )译码器
要把二进制码还原成十进制数就要用译码器。它也是由门电路组成的,现在也有集成化产品供选用。图 5 是一个 4 线 —10 线译码器。它的左侧为 4 个二进制码的输入端,右侧有 10 个输出端,从上到下按 0 、 1 、 …9 排列表示 10 个十进制数。输出端带小圆圈表示低电平有效。平时 10 个输出端都是高电平 1 ,如输入为 1001 码,输出“ 9 ”端为低电平 0 ,其余 9 根线仍为高电平 1 ,这表示“ 9 ”线被译中。

如果要想把十进制数显示出来,就要使用数码管。现以共阳极发光二极管( LED )七段数码显示管为例,见图 6 。它有七段发光二极管,如每段都接低电平 0 ,七段都被点亮,显示出数字“ 8 ”;如 b 、 c 段接低电平 0 ,其余都接 1 ,显示的是“ 1 ”。可见要把十进制数用七段显示管显示出来还要经过一次译码。如果使用“ 4 线 —7 线译码器”和显示管配合使用,就很简单,输入二进制码可直接显示十进制数,见图 6 。译码器左侧有 4 个二进制码的输入端,右侧有 7 个输出可直接和数码管相连。左上侧另有一个灭灯控制端 I B ,正常工作时应加高电平 1 ,如不需要这位数字显示就在 I B 上加低电平 0 ,就可使这位数字熄灭。

寄存器和移位寄存器
( 1 )寄存器
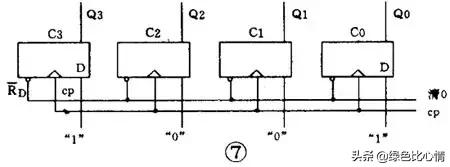
能够把二进制数码存贮起来的的部件叫数码寄存器,简称寄存器。图 7 是用 4 个 D 触发器组成的寄存器,它能存贮 4 位二进制数。4 个 CP 端连在一起作为控制端,只有 CP=1 时它才接收和存贮数码。4 个 R D 端连在一起成为整个寄存器的清零端。如果要存贮二进制码 1001 ,只要把它们分别加到触发器 D 端,当 CP 来到后 4 个触发器从高到低分别被置成 1 、 0 、 0 、 1 ,并一直保持到下一次输入数据之前。要想取出这串数码可以从触发器的 Q 端取出。

( 2 )移位寄存器
有移位功能的寄存器叫移位寄存器,它可以是左移的、右移的,也可是双向移位的。
图 8 是一个能把数码逐位左移的寄存器。它和一般寄存器不同的是:数码是逐位串行输入并加在最低位的 D 端,然后把低位的 Q 端连到高一位的 D 端。这时 CP 称为移位脉冲。

先从 R D 端送低电平清零,使寄存器成 0000 状态。假定要输入的数码是 1001 ,输入的次序是先高后低逐位输入。第 1 个 CP 后, 1 被打入第 1 个触发器,寄存器成 0001 ;第 2 个 CP 后, Qo 的 1 被移入 Q 1 ,新的 0 打入 D 1 ,成为 0010 ;第 3 个 CP 后,成为 0100 ;第 4 个 CP 后,成为 1001 。
可见经过 4 个 CP ,寄存器就寄存了 4 位二进制码 1001 。目前已有品种繁多的集成化寄存器供选用。
计数器和分频器
( 1 )计数器
能对脉冲进行计数的部件叫计数器。计数器品种繁多,有作累加计数的称为加法计数器,有作递减计数的称为减法计数器;按触发器翻转来分又有同步计数器和异步计数器;按数制来分又有二进制计数器、十进制计数器和其它进位制的计数器等等。
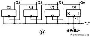
现举一个最简单的加法计数器为例,见图 9 。它是一个 16 进制计数器,最大计数值是 1111 ,相当于十进制数 15 。需要计数的脉冲加到最低位触发器的 CP 端上,所有的 J 、 K 端都接高电平 1 ,各触发器 Q 端接到相邻高一位触发器的 CP 端上。J—K 触发器的特性表告诉我们:当 J=1 、 K=1 时来一个 CP ,触发器便翻转一次。在全部清零后, ① 第 1 个 CP 后沿,触发器 C0 翻转成 Q0=1 ,其余 3 个触发器仍保持 0 态,整个计数器的状态是 0001 。② 第 2 个 CP 后沿,触发器 C0 又翻转成“ Q0=0 , C1 翻转成 Q1=1 ,计数器成 0010 。…… 到第 15 个 CP 后沿,计数器成 1111 。可见这个计数器确实能对 CP 脉冲计数。

( 2 )分频器
计数器的第一个触发器是每隔 2 个 CP 送出一个进位脉冲,所以每个触发器就是一个 2 分频的分频器, 16 进制计数器就是一个 16 分频的分频器。
为了提高电子钟表的精确度,普遍采用的方法是用晶体振荡器产生 32768 赫标准信号脉冲,经过 15 级 2 分频处理得到 1 赫的秒信号。因为晶体振荡器的准确度和稳定度很高,所以得到的秒脉冲信号也是精确可靠的。把它们做到一个集成片上便是电子手表专用集成电路产品,见图 10 。

数字逻辑电路读图要点和举例
数字逻辑电路的读图步骤和其它电路是相同的,只是在进行电路分析时处处要用逻辑分析的方法。读图时要:① 先大致了解电路的用途和性能。② 找出输入端、输出端和关键部件,区分开各种信号并弄清信号的流向。③ 逐级分析输出与输入的逻辑关系,了解各部分的逻辑功能。④ 最后统观全局得出分析结果。
例 1 三路抢答器
图 11 是智力竞赛用的三路抢答器电路。裁判按下开关 SA4 ,触发器全部被置零,进入准备状态。这时 Q1 ~ Q3 均为 1 ,抢答灯不亮;门 1 和门 2 输出为 0 ,门 3 和门 4 组成的音频振荡器不振荡,扬声器无声。

竞赛开始,假定 1 号台抢先按下 SA1 ,触发器 C1 翻转成 Q1=1 、 Q1=0 。于是:① 门 2 输出为 1 ,振荡器振荡,扬声器发声;②HL1 灯点亮;③ 门 1 输出为 1 ,这时 2 号、 3 号台再按开关也不起作用。裁判宣布竞赛结果后,再按一下 SA4 ,电路又进入准备状态。
例 2 彩灯追逐电路
图 12 是 4 位移位寄存器控制的彩灯电路。开始时按下 SA ,触发器 C1 ~ C4 被置成 1000 ,彩灯 HL1 被点亮。CP 脉冲来到后,寄存器移 1 位,触发器 C1 ~ C4 成 0100 ,彩灯 HL2 点亮。第 2 个 CP 脉冲点亮 HL3 ,第 3 个点亮 HL4 ,第 4 个 CP 又把触发器 C1 ~ C4 置成 1000 ,又点亮 HL1 。如此循环往复,彩灯不停闪烁。只要增加触发器可使灯数增加,改变 CP 的频率可变化速度。

555 集成时基电路的特点
555 集成电路开始出现时是作定时器应用的,所以叫做 555 定时器或 555 时基电路。但是后来经过开发,它除了作定时延时控制外,还可以用于调光、调温、调压、调速等多种控制以及计量检测等作用;还可以组成脉冲振荡、单稳、双稳和脉冲调制电路,作为交流信号源以及完成电源变换、频率变换、脉冲调制等用途。由于它工作可靠、使用方便、价格低廉,因此目前被广泛用于各种小家电中。
555 集成电路内部有几十个元器件,有分压器、比较器、触发器、输出管和放电管等,电路比较复杂,是模拟电路和数字电路的混合体。它的性能和参数要在非线性模拟集成电路手册中才能查到。
555 集成电路是 8 脚封装,图 1 ( a )是双列直插型封装,按输入输出的排列可画成图 1 ( b )。其中 6 脚称阀值端( TH ),是上比较器的输入。2 脚称触发端(

),是下比较器的输入。3 脚是输出端( V O ),它有 0 和 1 两种状态,它的状态是由输入端所加的电平决定的。7 脚的放电端( DIS ),它是内部放电管的输出,它也有悬空和接地两种状态,也是由输入端的状态决定的。4 脚是复位端(

),加上低电砰(< 0.3 伏)时可使输出成低电平。5 脚称控制电压端( V C ),可以用它改变上下触发电平值。8 脚是电源, 1 脚为地端。


对于初学者来说,可以把 555 电路等效成一个带放电开关的 R - S 触发器,如图 2 ( a )。这个特殊的触发器有两个输入端;阈值端( TH )可看成是置零端 R ,要求高电平;触发端(

)可看成是置位端

,低电平有效。它只有 1 个输出端 V O , V O 可等效成触发器的 Q 端。放电端( DIS )可看成由内部的放电开关控制的一个接点,放电开关由触发器的 Q 端控制:

=1 时 DIS 端接地;

=0 时 DIS 端悬空。此外这个触发器还有复位端

,控制电压端 V C ,电源端 V DD 和地端 GND 。


这个特殊的 R - S 触发器有 2 个特点:( 1 )两个输入端的触发电平要求一高一低:置零端 R 即阈值端 TH 要求高电平,而置低端

S 即触发端

则要求低电平。( 2 )两个输入端的触发电平,也就是使它们翻转的阈值电压值也不同,当 V C 端不接控制电压时,对 TH ( R )端来讲, > 2 /3 V DD 是高电平 1 , < 2 /3 V DD 是低电平 0 ;而对

(

)端来讲,> 1/ 3 V DD 是高电平 1 ,< 1 /3 V DD 是低电平 0 。如果在控制端( V C )加上控制电压 V C ,这时上触发电平就变成 V C 值,而下触发电平则变成 1 /2 V C 。可见改变控制端的控制电压值可以改变上下触发电平值。
经过简化, 555 电路可以等效成一个触发器,它的功能表见图 2 ( b )。
555 集成电路有双极型和 CMOS 型两种。CMOS 型的优点是功耗低、电源电压低、输入阻抗高,但输出功率较小,输出驱动电流只有几毫安。双极型的优点是输出功率大,驱动电流达 200 毫安,其它指标则不如 CMOS 型的。
此外还有一种 556 双时基电路, 14 脚封装,内部包含有两个相同的时基电路单元。555 的应用电路很多,大体上可分为 555 单稳、 555 双稳和 555 无稳三类。555 单稳电路单稳电路有一个稳态和一个暂稳态。555 的单稳电路是利用电容的充放电形成暂稳态的,因此它的输入端都带有定时电阻和定时电容,常见的 555 单稳电路有两种。
( 1 )人工启动型单稳
将 555 电路的 6 、 2 端并接起来接在 RC 定时电路上,在定时电容 C T 两端接按钮开关 SB ,就成为人工启动型 555 单稳电路,见图 3 ( a )。用等效触发器替代 555 ,并略去与单稳工作无关的部分后画成等效图 3 ( b )。下面分析它的工作:


① 稳态:接上电源后,电容 C T 很快充到 V DD ,从图 3 ( b )看到,触发器输入 R=1 ,

=1 ,从功能表查到输出 V o =0 ,这是它的稳态。
② 暂稳态:按下开关 SB , C T 上电荷很快放到零,相当于触发器输入 R=0 ,

=0 ,输出立即翻转成 V o =1 ,暂稳态开始。开关放开后,电源又向 C T 充电,经时间 t d 后, C T 上电压升到 > 2 /3 V DD 时,输出又翻转成 V =0 ,暂稳态结束。t d 就是单稳电路的定时时间或延时时间,它和定时电阻 R T 和定时电容 C T 的值有关;t d=1.1R T C T 。
( 2 )脉冲启动型单稳
把 555 电路的 6 、 7 端并接起来接到定时电容 C T 上,用 2 端作输入就成为脉冲启动型单稳电路,见图 4 ( a )。电路的 2 端平时接高电平,当输入接低电平或输入负脉冲时才启动电路。用等效触发器替代 555 电路后可画成图 4 ( b )。这个电路利用放电端使定时电容能快速放电。下面分析它的工作状态:

① 稳态:通电后, R=1 ,

=1 ,输出 V o =0 , DIS 端接地, C T 上电压为 0 即 R=0 ,输出仍保持 V o =0 ,这是它的稳态。
② 暂稳态:输入负脉冲后,输入

=0 ,输出翻转成 V o =1 , DIS 端开路,电源通过 R T 向 C T 充电,暂稳态开始。经过 t d 后, C T 上电压升到> 2 /3 V DD ,这时负脉冲已经消失,输入又成为 R=1 ,

=1 ,输出又翻转成 V o =0 ,暂稳态结束。这时内部放电开关接通, DIS 端接地, C T 上电荷很快放到零,为下一次定时控制作准备。电路的定时时间 t d =1.1R T C T 。
这两种单稳电路常用作定时延时控制。
555 双稳电路
常见的 555 双稳电路有两种。
( 1 ) R-S 触发器型双稳
把 555 电路的 6 、 2 端作为两个控制输入端, 7 端不用,就成为一个 R - S 触发器。要注意的是两个输入端的电平要求和阈值电压都不同,见图 5 ( a )。有时可能只有一个控制端,这时另一个控制端要设法接死,根据电路要求可以把 R 端接到电源端,见图 5 ( b ),也可以把 S 端接地,用 R 端作输入。


有两个输入端的双稳电路常用作电机调速、电源上下限告警等用途,有一个输入端的双稳电路常作为单端比较器用作各种检测电路。
( 2 )施密特触发器型双稳
把 555 电路的 6 、 2 端并接起来成为只有一个输入端的触发器,见图 6 ( a )。这个触发器因为输出电压和输入电压的关系是一个长方形的回线形,见图 6 ( b ),所以被称为施密特触发器。从曲线看到,当输入 V i =0 时输出 V o =1 。当输入电压从 0 上升时,要升到> 2/ 3 V DD 以后, V o 才翻转成 0 。而当输入电压从最高值下降时,要降到 < 1 /3 V DD 以后, V o 才翻转成 1 。所以输出电压和输入电压之间是一个回线形曲线。由于它的输入有两个不同的阈值电压,所以这种电路被用作电子开关,各种控制电路,波形变换和整形的用途。


555 无稳电路
无稳电路有 2 个暂稳态,它不需要外触发就能自动从一种暂稳态翻转到另一种暂稳态,它的输出是一串矩形脉冲,所以它又称为自激多谐振荡器或脉冲振荡器。555 的无稳电路有多种,这里介绍常用的 3 种。
( 1 )直接反馈型 555 无稳
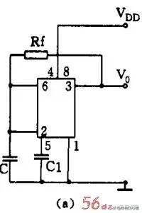
利用 555 施密特触发器的回滞特性,在它的输入端接电容 C ,再在输出 V 0 与输入之间接一个反馈电阻 R f ,就能组成直接反馈型多谐振荡器,见图 7 ( a )。用等效触发器替代 555 电路后可画成图 7 ( b )。现在来看看它的振荡工作原理:



刚接通电源时, C 上电压为零,输出 V 0 =1 。通电后电源经内部电阻、 V 0 端、 R f 向 C 充电,当 C 上电压升到> 2 /3 V DD 时,触发器翻转 V 0 =0 ,于是 C 上电荷通过 R f 和 V 0 放电入地。当 C 上电压降到< 1 /3 V DD 时,触发器又翻转成 V 0 =1 。电源又向 C 充电,不断重复上述过程。由于施密特触发器有 2 个不同的阀值电压,因此 C 就在这 2 个阀值电压之间交替地充电和放电,输出得到的是一串连续的矩形脉冲,见图 7 ( c )。脉冲频率约为 f=0.722 / R f C 。
( 2 )间接反馈型无稳
另一路多谐振荡器是把反馈电阻接在放电端和电源上,如图 8 ( a ),这样做使振荡电路和输出电路分开,可以使负载能力加大,频率更稳定。这是目前使用最多的 555 振荡电路。

这个电路在刚通电时, V 0 =1 , DIS 端开路, C 的充电路径是:电源 →R A →DIS→R B →C ,当 C 上电压上升到> 2 /3 V DD 时, V 0 =1 , DIS 端接地, C 放电, C 放电的路径是:C→R B →DIS→ 地。可以看到充电和放电时间常数不等,输出不是方波。t 1 =0.693 ( R A + B B ) C 、 t 2 =0.693R B C ,脉冲频率 f=1.443 /( R A + 2R ) C
( 3 ) 555 方波振荡电路
要想得到方波输出,可以用图 9 的电路。它是在图 8 的电路基础上在 R B 两端并联一个二极管 VD 组成的。当 R A =R B 时, C 的充放电时间常数相等,输出就得到方波。方波的频率为 f=0.722 / R A C ( R A =R B )

在这个电路的基础上,在 R A 和 R B 回路内增加电位器以及采用串联或并联二极管的方法可以得到占空比可调的脉冲振荡电路。
555 脉冲振荡电路常被用作交流信号源,它的振荡频率范围大致在零点几赫到几兆赫之间。因为电路简单可靠,所以使用极广。
555 电路读图要点及举例
555 集成电路经多年的开发,实用电路多达几十种,几乎遍及各个技术领域。但对初学者来讲,常见的电路也不过是上述几种,因此在读图时,只要抓住关键,识别它们是不难的。
从电路结构上分析,三类 555 电路的区别或者说它们的结构特点主要在输入端。因此当我们拿到一张 555 电路图时,在大致了解电路的用途之后,先看一下电路是 CMOS 型还是双极型,再看复位端(

)和控制电压端( V c )的接法,如果复位端(

)是接高电平、控制电压端( V c )是接一个抗干扰电容的,那就可以按以下的次序先从输入端开始进行分析:
( 1 ) 6 、 2 端是分开的
①7 端悬空不用的一定是双稳电路。如有两个输入的则是双限比较器;如只有一个输入的则是单端比较器。这类电路一般都是作电子开关、控制和检测电路的用途。
②7 、 6 端短接并接有电阻电容、取 2 端作输入的一定是单稳电路。它的输入可以用开关人工启动,也可以用输入脉冲启动,甚至为了取得较好的启动效果在输入端带有 RC 微分电路。这类电路一般用作定时延时控制和检测的用途。
( 2 ) 6 、 2 端短接的
① 输入没有电容的是施密特触发器电路。这类电路常用作电子开关、告警、检测和整形的用途。
② 输入端有电阻电容而 7 端悬空的,这时要看电阻电容的接法:( a ) R 和 C 串联接在电源和地之间的是单稳电路, R 和 C 就是它的定时电阻和定时电容。( b ) R 在上 C 在下, R 的一端接在 V 0 端上的是直接反馈型无稳电路,这时 R 和 C 就是决定振荡频率的元件。
③7 端也接在输入端,成“ R A - 7 - R B - 6 、 2—C ”的形式的就是最常用的无稳电路。这时 R A 和 R B 及 C 就是决定振荡频率的元件。这类电路可以有很多种变型:如省去 R A ,把 7 端接在 V 0 上;或者在 R B 两端并联二极管 VD 以获得方波输出,或者用电阻和电位器组成 R A 和 R B ,而且在 R A 和 R B 两端并联有二极管以获得占空比可调的脉冲波等等。这类电路是用途最广的,常用于脉冲振荡、音响告警、家电控制、电子玩具、医疗电器以及电源变换等用途。
( 3 )如果控制电压( V c )端接有直流电压,则只是改变了上下两个阀值电压的数值,其它分析方法仍和上面的相同。
只要按上述步骤细心分析核对,一定能很快地识别 555 电路的类别和了解它的工作原理。下面的问题就比较好办了,例如定时时间、振荡频率等都可以按给出的公式进行估算。
例 1 相片曝光定时器
图 10 是用 555 电路制成的相片曝光定时器。从图看到,输入端 6 、 2 并接在 RC 串联电路中,所以这是一个单稳电路, R1 和 RP 是定时电阻, C1 是定时电容。

电路在通电后, C1 上电压被充到 6 伏,输出 V 0 =0 ,继电器 KA 不吸动,常开接点是打开的,曝光灯 HL 不亮。这是它的稳态。
按下 SB 后, C1 快速放电到零,输出 V 0 =1 ,继电器 KA 吸动,点亮曝光灯 HL ,暂稳态开始。SB 放开后电源向 C1 充电,当 C1 上电压升到 4 伏时,暂稳态结束,定时时间到,电路恢复到稳态。输出翻转成 V 0 =0 ,继电器 KA 释放,曝光灯熄灭。电路定时时间是可调的,大约是 1 秒~ 2 分钟。
例 2 光电告警电路
图 11 是 555 光电告警电路。它使用 556 双时基集成电路,有两个独立的 555 电路。前一个接成施密特触发器,后一个是间接反馈型无稳电路。图中引脚号码是 556 的引脚号码。

图中 R1 是光敏电阻,无光照时阻值为几~几十兆欧,所以 555a 的输入相当于 R=0 、 S=0 ,输出 V 0 =1 ,三极管 VT 导通, VT 的集电极电压只有 0.3 伏,加在 555b 的复位端( MR ),使 555b 处于复位状态,即无振荡输出。
当 R1 受光照后,阻值突然下降到只有几~几十千欧,于是 555a 的输入电压升到上阀值电压以上,输出翻转成 V 0 =0 , VT 截止, VT 集电极电压升高, 555b 被解除复位状态而振荡,于是扬声器 BL 发声告警。555b 的振荡频率大约是 1 千赫。
如果把整个装置放入公文包内,那么当打开公文包时,这个装置会发声告警而成为防盗告警装置。
单元电路图识图方法
单元电路是指某一级控制器电路,或某一级放大器电路,或某一个振荡器电路、变频器电路等,它是能够完成某一电路功能的最小电路单位。从广义角度上讲,一个集成电路的应用电路也是一个单元电路。
单元电路图是学习整机电子电路工作原理过程中,首先遇到具有完整功能的电路图,这一电路图概念的提出完全是为了方便电路工作原理分析之需要。
1.单元电路图功能
单元电路图具有下列一些功能:
①单元电路图主要用来讲述电路的工作原理。
②它能够完整地表达某一级电路的结构和工作原理,有时还全部标出电路中各元器件的参数,如标称阻值、标称容量和三极管型号等。
③它对深入理解电路的工作原理和记忆电路的结构、组成很有帮助。
2.单元电路图的特点
单元电路图具有下列一些特点:
①单元电路图主要是为了分析某个单元电路工作原理的方便而单独将这部分电路画出的电路,所以在图中已省去了与该单元电路无关的其他元器件和有关的连线、符号,这样单元电路图就显得比较简洁、清楚,识图时没有其他电路的干扰。单元电路图中对电源、输入端和输出端已经加以简化,如图1-6所示。
电路图中,用+v表示直流工作电压(其中正号表示采用正极性直流电压给电路供电,地端接电源的负极);vi表示输入信号,是这一单元电路所要放大或处理的信号;vo表示输出信号,是经过这一单元电路放大或处理后的信号。通过单元电路图中的这样标注可方便地找出电源端、输入端和输出端,而在实际电路中,这三个端点的电路均与整机电路中的其他电路相连,没有+v、vi、vo的标注,给初学者识图造成了一定的困难。
例如:见到vi可以知道信号是通过电容c2加到三极管vt1基极的;见到vo可以知道信号是从三极管vt1集电极输出的,这相当于在电路图中标出了放大器的输入端和输出端,无疑大大方便了电路工作原理的分析。
②单元电路图采用习惯画法,一看就明白,例如元器件采用习惯画法,各元器件之间采用最短的连线,而在实际的整机电路图中,由于受电路中其他单元电路中元器件的制约,有关元器件画得比较乱,有的在画法上不是常见的画法,有的个别元器件画得与该单元电路相距较远,这样电路中的连线很长且弯弯曲曲,造成识图和电路工作原理理解的不便。
③单元电路图只出现在讲解电路工作原理的书刊中,实用电路图中是不出现的。对单元电路的学习是学好电子电路工作原理的关键。只有掌握了单元电路的工作原理,才能去分析整机电路。
3.单元电路图的识图方法
单元电路的种类繁多,而各种单元电路的具体识图方法有所不同,这里只对共同性的问题说明几点:
(1)有源电路识图方法
所谓有源电路就是需要直流电压才能工作的电路,例如放大器电路。对有源电路的识图首先分析直流电压供给电路,此时将电路图中的所有电容器看成开路(因为电容器具有隔直特性),将所有电感器看成短路(电感器具体通直的特性)。直流电路的识图方向一般是先从右向左,再从上向下。
(2)信号传输过程分析
信号传输过程分析就是信号在该单元电路中如何从输入端传输到输出端,信号在这一传输过程中受到了怎样的处理(如放大、衰减、控制等)。信号传输的识图方向一般是从左向右进行。
(3)元器件作用分析
元器件作用分析就是电路中各元器件起什么作用,主要从直流和交流两个角度去分析。
(4)电路故障分析
电路故障分析就是当电路中元器件出现开路、短路、性能变劣后,对整个电路工作会造成什么样的不良影响,使输出信号出现什么故障现象(如没有输出信号、输出信号小、信号失真、出现噪声等)。在搞懂电路工作原理之后,元器件的故障分析才会变得比较简单。
整机电路中的各种功能单元电路繁多,许多单元电路的工作原理十分复杂,若在整机电路中直接进行分析就显得比较困难,通过单元电路图分析之后再去分析整机电路就显得比较简单,所以单元电路图的识图也是为整机电路分析服务的。
不管强电、弱电、模拟、数字,首先要明白各单位元器件的符号。新、旧国标都要熟记;熟练掌握各种单位元器件的工作原理和特性以及作用;熟练掌握各种基本单元电路的工作原理,分析方法。
初学者不宜先看整机电路图,应该循序渐进 整机电路图由于有许多单元电路的存在,有的单元电路中的元器件就比较散乱,或者离本单元较远,初学者识图时,很有难度。
从方框图开始-单元电路图、等效电路图-整机电路图 电路图包含很广,要想迅速看懂一张整机电路,需要长期的积累,这里是讲不清的。循序渐进的学习非常重要,电气理论基础非常重要 俗话说,专业好学,基础难打 一开始的急功近利,不久就会遇到瓶颈 如果你已有初步的电气基础 推荐先学习 高等教育出版社的《电工学》 数字电路是电路图中的一个难点,我稍微讲一下要学数字电路以下知识必不可少,可按顺序逐步学习:
1、二进制和二进制编码,以及和十进制的转换关系
2、脉冲电路(脉冲信号的产生、整形、交变。包括,微分电路、积分电路、限幅电路、多谐振振荡电路、单稳态和双稳态电路等)
3、逻辑门电路(与、或、非、与非、或非门)
4、触发器电路(RS触发器、JK触发器、D和T触发器是必学的)
5、组合逻辑电路(基本运算器、比较器、判奇偶电路、编码、译码器、数据选择器)
6、时序逻辑电路(在组合逻辑电路的基础上又加了寄存器)比如计数器、节拍发生器什么的
7、单片机
8、模拟量与数字量之间的转换 数字电路的很多功能是通过软件来实现的,这已经超出了电子技术分析的范畴,识图中,虽然不需要对软件相当熟悉,但必须了解软件处理信号的过程、目的、处理结果 单片机也是其中一个难点,具备系统的数字电路基本知识后,必须加以熟悉 数字电路的信号由于是各种脉冲串的数码信号,这些数据流信号的波形不可能像模拟电路那样,对电路的理解有太多帮助,这点要有心理准备。