⭐作者: 桐桐花❀
⭐个人主页:桐桐花的博客_CSDN博客-python,Verilog,数字IC领域博主
⭐系列专栏:Verilog刷题_桐桐花的博客-CSDN博客
⭐推荐刷题神器:
牛客网 - Verilog刷题模块
Verilog快速入门-基础语法篇(1)
1、四选一多路选择器
描述:制作一个四选一的多路选择器,要求输出定义上为线网类型。
状态转换:
d0 11
d1 10
d2 01
d3 00信号示意图:
波形示意图:
输入描述:
输入信号 d1,d2,d3,d4 sel
类型 wire输出描述:
输出信号 mux_out
类型 wire
答案
`timescale 1ns/1ns
module mux4_1(
input [1:0] d1,d2,d3,d0,
input [1:0] sel,
output [1:0]mux_out
);
//*************code***********//
reg [1:0] mux_out_1;
always@(*)
begin
case(sel)
2'b00: begin mux_out_1 = d3; end
2'b01: begin mux_out_1 = d2; end
2'b10: begin mux_out_1 = d1; end
2'b11: begin mux_out_1 = d0; end
endcase
end
assign mux_out = mux_out_1;//(输出定义上为线网类型)
//*************code***********//
endmodule问题:下面代码可以运行成功吗?如果没有运行成功,有什么问题?

无法编译成功。
模块端口默认声明变量为wire类型,但是在always块里,变量是reg类型的。

把模块端口里面的mux_out改成 reg类型,可以编译成功吗?
依然没有编译成功。

因为 ,“描述:制作一个四选一的多路选择器,要求输出定义上为线网类型。”
所以要将MUX的输出结果通过assign连接出去。即
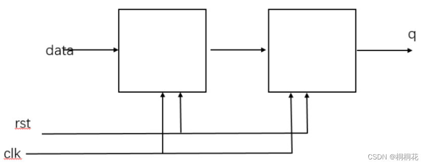
assign mux_out = mux_out_1;//(输出定义上为线网类型)2、异步复位的串联T触发器
题目描述:
用verilog实现两个串联的异步复位的T触发器的逻辑,结构如图:
信号示意图:
波形示意图:
输入描述:
输入信号 data, clk, rst
类型 wire
在testbench中,clk为周期5ns的时钟,rst为低电平复位输出描述:
输出信号 q
类型 reg
答案
module Tff_2 (
input wire data, clk, rst,
output reg q
);
reg q1;
always@(posedge clk or negedge rst)
begin
if(!rst)
begin
q1<=0;
q<=0;
end
else
begin
q1 <= data ^ q1;
q <= q1 ^ q;
end
end
endmoduletestbench
`timescale 1ns/1ns
module testbench( );
reg clk=0;
reg rst=0;
reg data=0;
wire q;
Tff_2 Tff_2(
.data(data),
.clk(clk),
.rst(rst),
.q(q)
);
always #5 clk = ~clk; // Create clock with period=10
initial begin
#10 rst = 1'b1;
#60 data = 1'b1;
#110 data = 1'b0;
#160 data = 1'b1;
end
endmodule相关知识点:
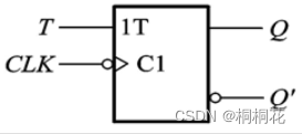
1、T触发器

T触发器特性方程

T触发器的特性表
T触发器 状态转换图

2、异步复位
异步复位是指无论时钟沿是否到来,只要复位信号有效,就对系统进行复位。
练习题目:
版权声明:本文为weixin_41788560原创文章,遵循CC 4.0 BY-SA版权协议,转载请附上原文出处链接和本声明。



