前言
第四篇
开关电源知识总结
1、拓扑结构
拓扑结构已经有很多文章讲解了。我主要讲讲一些特别的点吧。大家要能记下三种拓扑结构,最好可以默写出来。
1.1、BOOST拓扑结构中二极管的作用

二极管的作用:当mos管完全导通时,阻抗很低。二极管可以防止电容直接对地放电。防止能量损失,提高BOOST电路的效率。
1.2、BUCK/BOOST

也称升降压式变换器,是一种输出电压既可低于也可高于输进电压的单管不隔离直流变换器,但其输出电压的极性与输进电压相反。BUCK/BOOST变换器可看做是BUCK变换器和BOOST变换器串联而成,合并了开关管。
MOS管导通时,电感正向伏秒为:Vin*Ton。
MOS管截止时,电感负向伏秒为:-Vo*Toff。
Vo= -(Vin*D)/(1-D)
- 开关管S导通阶段

当开关闭合时,输入电压通过电感L直接返回,在电感Ls上储能,此时电容Cr放电,给负载供电。
- 开关管S截止阶段

当开关断开时,在电感Ls上产生反向电动势,使二极管D从截止变成导通。电感给负载供电并对输出电容充电,维持输出电压不变。
1.3 BCM、CCM、DCM
①CCM (Continuous Conduction Mode),连续导通模式:
在一个开关周期内,电感电流从不会到0。或者说电感从不“复位”,意味着在开关周期内电感磁通从不回到0,功率管闭合时,线圈中还有电流流过。
②DCM,(Discontinuous Conduction Mode)非连续导通模式:
在开关周期内,电感电流总会回到0,意味着电感被适当地“复位”,即功率开关闭合时,电感电流为零。
③BCM(Boundary Conduction Mode),边界或边界线导通模式:
控制器监控电感电流,一旦检测到电流等于0,功率开关立即闭合。控制器总是等电感电流“复位”来激活开关。如果电感值电流高,而截至斜坡相当平,则开关周期延长,因此,BCM变化器是可变频率系统。BCM变换器可以称为临界导通模式或CRM(Critical Conduction Mode)。
- CCM模式下SW开关波形有尖峰
SW引脚的电压波形,在开关管闭合和断开时,都有一个很大的尖峰,对应的电流波形也会有类似的情况。但是对于某些使用外置高低侧MOS管的BUCK电路,电压尖峰会很大,而且尖峰处展开会伴随有明显的振荡现象,这是由于二极管或者同步MOS管的寄生电容,以及电路的寄生电感共同造成,寄生电感不能瞬变的电流对电容进行充电造成电压尖峰和电流尖峰,而振荡是由于电感电容LC谐振造成的。因此,一般会在二极管或者同步管两端并联一个RC吸收电路来解决这个问题。RC吸收电路的电阻取值在5~50R之间,电容取几个nf级别。
大家在测试dcdc的开关波形时,应该都看见过下面的波形

2、同步和异步
同步和异步的区别从外部来看,是多了一个有续流的二极管。其实BUCK的输出电流分成两个部分的,一个部分是来自电源,一个部分是来自异步电路中的这个二极管,只是同步电路把这个二极管用一个MOSFET给替代了,但是这个MOSFET的开关需要和Q1的MOSFET保持一定的相位关系,大家习惯把这样的关系叫做同步模式。同步比异步的好处就是拥有更快的导通速度,和更小的导通压降,因而效率回更高。二极管因为有固定的导通电压的存在,在越大的输出电压的时候,在这个二极管上面的供耗损失会越大。[Z2]


整流电路会通过开关电流,因而会在开关处产生损耗,以至于影响效率。异步整流时,二极管的正压导通压降Vf会通过电流特别是在轻载时,二极管大部分时间会在这种状
态下。即使是肖特基二极管,开关电流为1A时的VF上产生的损耗也将高达0.3~0.5W左右。与之对应的是,通态电阻极低的MOSFET的电阻可以低至50mΩ左右,如果计算产生的损耗的话,也仅仅是0.05W而已。
在轻载时,同步整流的工作状态更好,异步模式由于工作在不连续模式会产生很大的噪声!

当负载较轻时,负载电流会很小,甚至会下降至零交叉级。在此状态下,异步整流方式,二极管会呈现断续工作,电流只能朝一个方向流动。此时的二极管的损耗反而降低了。但是由于工作在不连续模式,开关电压将发生振铃,产生高谐波噪声。而同步整流模式下,在MOSFET导通的情况下,电流会有两个方向的流动,此时的同步整流模式工作在连续模式,损耗不会减小。但是开关电压不会产生振铃。
同步整流式的所以效率高,原因在于将异步整流式的二极管置换成晶体管,故可以将输出段开关的损耗压低。众所周知,二极管的VF会因电流而改变,不过即使VF为低肖特基也有0.3~0.5V。与之相对,例如Nch-MOSFET的ON电阻极低至50mΩ,如果计算电压下降的话则将远比二极管的VF来得低。
3、轻载、重载模式理解
BUCK电源的效率可以用下图的公式表示:

Pout是输出功率,Pd为耗散功率。一般情况下,占空比D越大,电源效率越高,损耗越小。其原因可以简单的这样理解,在开关管导通期间,输入电源直接向输出电源提供能量,其中多余的能量储存在电感中,占空比D越大,输入电源直接向负载输出提供能量的时间比例就越大。对于输出而言,在这个过程不需要电感进行电磁能量的互相转换,因此效率较高。而开关管关断期间,输出需要电感将储存的磁能转换为电能,这是一个有损耗的过程,相对效率较低。
在轻载或者空载时,如果继续采用固定频率的PWM模式,由于负载电流变小,因此输出功率Pout变小;而PWM频率不变意味着开关管频率不变,则开关管的损耗(主要是开关损耗)不变,相应地损耗频率所占比例就变大,从而降低了电源的输出转换效率。因此,为了提高电源在轻载时的转换效率,一般会采用其他工作模式,比如常见的Pulse Skip Mode脉冲跳跃模式、Burst Mode突发模式、Forced Continuous Mode强迫连续模式(该模式不会提高输出效率)。
3.1. Pulse Skip Mode脉冲跳跃模式
由前述的DCM模式可知,占空比D会随着负载电流的减小而减小,但是无法一直减小,因为BUCK控制器有最小导通时间限制,比如凌特的LTC3624芯片,这个时间为60ns左右,占空比D为6%。若负载电流继续减小,由于占空比D无法继续减小,则BUCK控制器会抛弃一些开关脉冲,即在一个开关脉冲的时间内,对输出电容充入足够的电荷,使电容能够在没有开关脉冲的时间段内,维持对输出负载的供电,PWM演变到PSM的过程波形如图2所示,LTC3624芯片的PSM波形如图3所示。相对于正常的PWM模式,PSM模式开关脉冲的频率大大降低。


3.2. Burst Mode突发模式
以LT3624为例,其突发模式的原理框图如下所示,FB反馈电压连接到误差放大器的反相输入端,与正相输入端的参考电压0.6V进行做差放大运算后,输出ITH电压连接到迟滞比较器的同相输入端,迟滞比较器的反相输入端连接另一个参考电压V。同相输入的迟滞比较器的输出特性曲线如图5所示,其具有上下两个阈值Ul和Uh。


正常工作时,系统处于PWM工作模式,没有进入突发模式。当负载降低,电流变小时,输出电压升高,反馈电压FB也相应升高。由于反馈电压FB连接的是误差放大器的反相端,因此,输入误差放大器的差值(0.6-FB)变小,使误差放大器的输出ITH变小,如图5中绿色曲线所示,直到ITH小于迟滞比较器的阈值Ul,迟滞比较器输出从高电平翻转为低电平,系统进入突发模式,关闭开关管,输入停止向输出提供能量。此时由输出端的电容向负载维持输出,电容电压慢慢降低,反馈电压FB也跟着降低,误差放大器的输入差值变大,ITH变大,如图5中红色曲线所示,直到ITH大于迟滞比较器的阈值Uh,迟滞比较器输出再次从低电平翻转为高电平,系统退出突发模式。LT3624芯片的突发模式波形如图6所示。类似于PSM模式,突发模式下开关脉冲的频率相对PWM模式也大大降低。

由于突发模式开关脉冲频率大大降低,并且开关管的导通时间很短,因此大大降低了开关损耗和导通损耗,提高了系统的输出效率,但同时由于大部分时间的输出由电容维持,因此输出电压纹波较大。
由上述分析过程可知,突发模式类似于控制理论中的Bang-Bang控制,有两个阈值,其输出电压纹波大小由迟滞比较器的上下两个阈值Ul和Uh决定。
3.3. Forced Continuous Mode强迫连续模式
强迫连续模式主要针对同步Buck而言,即续流二极管使用MOS管代替的拓扑结构,如图8所示。当负载电流降低到一定值时,PSM模式的电感电流等于0时,二极管将维持截止状态,直到下一个开关周期进行下一个循环。而对于强迫连续模式,在电感电流为0时,下侧的同步MOS管Q2仍然导通,因此输出电容的电压将反向加载在电感两端(左负右正),电感的电流开始反向流动,即从图8中电感L的右侧流向左侧,从0开始增加到一定值,直到同步管Q2关断,开关管Q1导通,此时输入电压重新正向加载在电感两端(左正右负),电感电流从负值开始正向增加到0,并达到一定值,电流波形如图9所示。由此可见,输出既可以提供电流也可以吸收电流。由于开关管和同步管每个周期都在工作,因此系统的开关损耗较大,输出效率较低,输出电压的纹波较小。


3.4. 小结
PSM模式;降低开关频率,给负载电容充满电,让其供电
突发模式;通过判断PB的内部反馈(FB上升到一个阈值关闭mos管,下降到一个阈值开启),开启或者关闭内部的MOS管
强制连续模式;电感电流为0时,下MOS管仍然开启。导致电感电流为负。直到下一个上管开启,电感电流从负到正。
由上述分析可知,突发模式和PSM模式的开关脉冲频率相对于正常的PWM模式都大大降低。因此,开关脉冲频率有可能降低到20~20KHz的听觉音频范围内,此时,电源系统中的电感和电容极有可能会发生啸叫。
另外,突发模式具有最高的轻载效率,其次是PSM模式,FCM模式轻载效率最低。FCM模式具有最好的轻载调整率和最小的输出电压纹波,其次是PSM模式,突发模式最差。
4、谐波、纹波
谐波产生的根本原因是由于非线性负载所致。当电流流经负载时,与所加的电压不呈线性关系,就形成非正弦电流,从而产生谐波。谐波频率是基波频率的整倍数。任何重复的波形都可以分解为含有基波频率和一系列为基波倍数的谐波的正弦波分量。谐波是正弦波,每个谐波都具有不同的频率,幅度与相角。

从广义上讲,由于交流电网有效分量为工频单一频率,因此任何与工频频率不同的成分都可以称之为谐波,这时“谐波”这个词的意义已经变得与原意有些不符。正是因为广义的谐波概念,才有了“分数谐波”、“间谐波”、“次谐波”等等说法。
抑制谐波的基本原则是进行谐波补偿,也就是增加谐波补偿装置,使输入的电流成为正弦波。传统的谐波补偿装置多采用设置LC调谐滤波器的方法来抑制谐波,这种抑制方法既可以抑制谐波,又可以补偿无功功率。不足之处是其补偿特性易受电网阻抗与运行状态的影响,容易与系统产生并联谐振,进而造成谐波放大,容易导致LC调谐滤波器过载,甚至烧坏。另一方面,LC调谐滤波器仅能补偿固定频率的谐波且补偿效果不甚理想。不过,由于LC调谐滤波器的结构简单、成本较低、设置容易,故仍然被广泛应用。
纹波
纹波是由于直流稳定电源的电压波动而造成的一种现象,因为直流稳定电源一般是由交流电源经整流稳压等环节而形成的,这就不可避免地在直流稳定量中多少带有一些交流成份(交流分量),这种叠加在直流稳定量上的交流分量就称之为纹波。
纹波的成分较为复杂,它的形态一般为频率高于工频的类似正弦波的谐波,另一种则是宽度很窄的脉冲波。
纹波的表示方法可以用有效值或峰值来表示,可以用绝对量,也可以用相对量来表示。例如一个电源工作在稳压状态,其输出为100V/5A,测得纹波的有效值为10mV,这10mV就是纹波的绝对量,而相对量即 纹波系数=纹波电压/输出电压=10mv/100V=0.01%,即等于万分之一。
纹波在电路中也要十分注意,需要降低,不然会对系统造成伤害。比如,使电网中发生谐振而造成过电流或过电压而引发事故,增加附加损耗,降低发电、输电及用电设备的效率和设备利用率,干扰通信系统,降低信号的传输质量,破坏信号的正常传递,甚至损坏通信设备等等。
纹波(ripple)与谐波的比较
谐波简单地说,就是一定频率的电压或电流作用于非线性负载时,会产生不同于原频率的其它频率的正弦电压或电流的现象。
纹波是指在直流电压或电流中,叠加在直流稳定量上的交流分量。
通常去除电源波纹的方法有五种:加大电感和输出电容滤波、二级滤波,就是再加一级LC滤波器、开关电源输出之后,接LDO滤波、在二极管上并电容C或RC、二极管后接电感(EMI滤波)。
5、前馈电容的理解
下图Cff就是前馈电容和波特图


前馈电容给系统增加了一个零极点
增加系统带宽,加快响应,对于减少纹波有好处
一般推荐是22-68pF,你加了前馈电容,测量输出电压纹波,纹波变小,表明你加的方向是对的
系统的响应和稳定性是互为矛盾的,有时候响应太快,稳定性反而不好,因此找到那个中间点
波特图很直接就看出来这个时候系统的稳定性如何
幅值裕度过零点,对应的相位裕度要大于45°;相位裕度过零点,幅值裕度小于-10dB.
我的理解是,如果要计算穿越频率,首先得找出整个环路上的零极点,写出他们的传输函数表达式,在表达式中,令增益=0,解得频率,但是这个表达式是十分复杂的,要受每一个节点得阻容参数的影响,即便是设计芯片,也是在经验的基础上仿真出来,计算的话确实有点恼火。
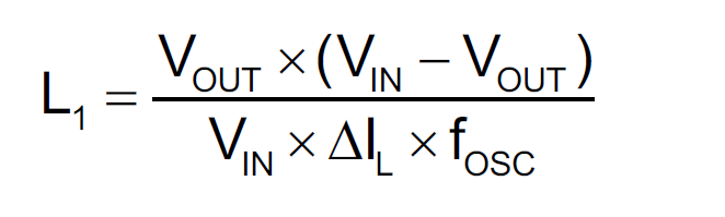
6.电感感值对DCDC的影响
电感增大的好处:
- 纹波变小
通过规格书找到公式

电感L1越大,△I就越小,纹波越小,供电越稳定。可以降低EMI辐射干扰。
- EMI噪声变小
电感越大可以抑制EMI噪声
- 储能能力变大
感值越大,储能能力越大
坏处:
- DCR变大
感值越大,DCR越大
- 瞬态反应能力变差
电流变化 跟不上电压变化
上管关闭时 电流却还在上升阶段
上管打开时 电流却还在下降级段
- 自我谐振频率的角度
功率电感的自我谐振频率 至少要电源芯片的开关频率的10倍以上
功率电感值越大 则自我谐振频率越低
- 转化效率变小

感值越大,内阻越高,转换效率越低
6、DCDC的指标
6.1MP1601的指标
举个例子,以MP1601列举下DCDC的重要指标

封装:SOT563
输入电压:2.3V-5.5V
输出电压:Output Adjustable from 0.6V,100% Duty Cycle
负载电流:1A
静态电流:11uA
上下MOS管的内阻:120mΩ/80mΩ
开关频率:2.2MHz
PSRR:

线性调整率

负载调整率

瞬态响应

转化效率

轻载高效:是。

电源芯片的轻载高效就是脉冲跳跃模式,或者是突发模式。通过降低开关频率来减小功耗。
下面是SY8088(轻载)和SY8032E(重载)的对比

上图是8088,通过对比发现,8032e的开关波形是固定的,且电感电流有负的。强制连续模式

同步整流:通过内部框图判断,一般非同步整流内部只有上管,下管为肖特基二极管且为外接。
MP1601 内部有上管、下管 为同步整流

MP2259 内部只有上管,下管为二极管且为外接

6.2MPS的AAM模式是什么?Advanced Asynchronous Modulation
MPS的AAM介绍在手册里面就有,在此篇文章说说我的理解。
AAM模式和ZCD电流检测让电源芯片工作在DCM模式,即使在输出电压接近输入电压的时候。
7电源在系统里的作用和设计流程
7.1设计电源前需要考虑的问题
- 是提供哪一种形式的电源。
- 是否需要满足安全规程和射频辐射(RFI)/电磁干扰(EMI)。
- 产品的工作环境。
- 负载电流的最大和最小极限是多少,负载电流是否存在冲击性特征。在设计电源电路时,需要保留50%的工作余量。
- 系统中是否包含对噪声敏感的电路,比如,数模转换,模数转换等。这表明电路需要额外的滤波措施或者电源的开关频率和某些敏感电路的工作频率同步。
- 电源的上电时序。
- 电源的PCB布局空间。
- 系统对于电源是否有特殊的要求,比如:开关、故障中断等。
7.2设计具体电路是需要考虑的问题
- 成本。
- 重量和尺寸。
- 热量的产生。
- 电源输入特性。
- 电源是否需要轻载高效。
- 负载的噪声容限。
- 需要输出的电压的特性。