FPGA配置方式的基本知识?
FPGA
STUDY
FPGA配置粗略可以分为主动和被动两种。主动加载是指由FPGA控制配置流程,被动加载是指FPGA仅仅被动接收配置数据。
最常见的被动配置模式就是JTAG下载bit文件。此模式下,主动发起操作的设备是计算机,数据通路是JTAG,FPGA会被动接收数据,根据需要的操作来进行更新FPGA配置。而上位机如何获取配置数据就非常灵活了,可能是本地运行EDA工具生成的,也可以是网络/USB存储设备获取的。
主动配置就是FPGA在配置过程中处于主导地位,主动发起对Flash的读写,获取配置信息进行配置。
具体配置方式可分为三种:AS、PS和JTAG。首先我们先基本的了解以下这三种方式的区别与特点。
AS模式:
烧到FPGA的配置芯片里保存的,FPGA器件每次上电时,作为控制器从配置器件EPCS主动发出读取数据信号,从而把EPCS的数据读入FPGA中,实现对FPGA的编程,该方法适用于不需要经常升级的场合;
PS模式:
EPCS作为控制器件,把FPGA当做存储器,把数据写人到FPGA中,实现对FPGA的编程。可以采用微控制器(单片机、ARM等)或者CPLD,该模式可以实现对FPGA在线可编程,升级方便;
JTAG模式:
直接烧到FPGA里面的,由于是SRAM,断电后要重烧,适用于调试。

1
JATG模式
JTAG接口是一个业界标准接口,主要用于芯片测试等功能。altera FPGA基本上都可以支持JTAG命令来配置FPGA的方式,而且JTAG配置方式比其他任何方式优先级都高。JTAG接口有4个必需的信号TDI, TDO, TMS和TCK以及1个可选信号TRST构成,其中:
TDI:用于测试数据的输入;
TDO:用于测试数据的输出;
TMS:模式控制管脚,决定JTAG电路内部的TAP状态机的跳变;
TCK:测试时钟,其他信号线都必须与之同步;
TRST:可选,如果JTAG电路不用,可以讲其连到GND。
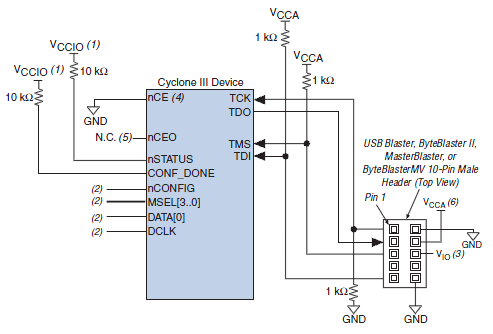
FPGA和10针插座连接图:

下载方式
用户可以使用altera的下载电缆,也可以使用微处理器等智能设备从JTAG接口设置FPGA。nCONFIG、MESL和DCLK信号都是用在其他配置方式下。如果只用JTAG配置,则需要将nCONFIG拉高,将MSEL拉成支持JTAG的任一方式,并将DCLK拉成高或低的固定电平。

2
AS模式
AS配置器件是一种非易失性、基于flash存储器的存储器,用户可以使用altera的ByteBlaster II加载电缆、altera的“altera programming unit”或者第三方的编程器来对配置芯片进行编程。它与FPGA的接口为以下简单的4个信号线:
DCLK:
串行时钟输入,是在配置模式下FPGA内部的振荡器(oscillator)产生的,在配置完成后,该振荡器将被关掉。工作时钟在20MHz左右,而fast AS方式下(stratix II和cyclone II支持该种配置方式),DCLK时钟工作在40MHz左右,在altera的主动串行配置芯片中,只有EPCS16和EPCS64的DCLK可以支持到40MHz,EPCS1和EPCS4只能支持20MHz。
ASDI:
AS控制信号输入;
nCS:
片选信号;
DATA:
串行数据输出。
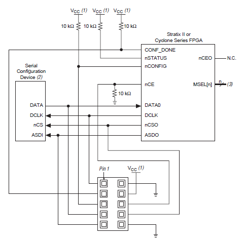
FPGA和串口配置芯片连接图:

由FPGA器件引导配置操作过程,它控制着外部存储器和初始化过程,EPCS系列.如EPCS1,EPCS4配置器件专供AS模式,目前只支持 Stratix II 和Cyclone系列。使用Altera串行配置器件来完成。Cyclone器件处于主动地位,配置器件处于从属地位。配置数据通过DATA0引脚送入 FPGA。配置数据被同步在DCLK输入上,1个时钟周期传送1位数据。

3
PS模式
PS(被动串行)则由外部计算机或控制器控制配置过程,是使用最多的一种配置方式。。所有altera FPGA都支持这种配置模式。通过altera 的下载电缆、加强型配置器件(EPC16,EPC8,EPC4)等配置器件或智能主机(如微处理器和CPLD)来完成,在PS配置期间,配置数据从外部储存部件(这些存储器可以是altera配置器件或单板上的其他flash器件),通过DATA0引脚送入FPGA。配置数据在DCLK上升沿锁存,1个时钟周期传送1位数据。
与FPGA的信号接口:
. DCLK(配置时钟);
. DATA0(配置数据);
. nCONFIG(配置命令);
. nSTATUS(状态信号);
. CONF_DONE(配置完成指示)。
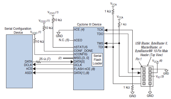
FPGA和串口配置芯片连接图:


在PS方式下,FPGA处于完全被动的地位。FPGA接收配置时钟、配置命令和配置数据,给出配置的状态信号以及配置完成指示信号等。PS配置可以使用altera的配置器件(EPC1、EPC4等),可以使用系统中的微处理器,也可以使用单板上的CPLD,或者altera的下载电缆,不管配置的数据源从哪里来,只要可以模拟出FPGA需要的配置时序来,将配置数据写入FPGA就可以。
在上电以后,FPGA会在nCONFIG管脚上检测到一个从低到高的跳变沿,因此可以自动启动配置过程。
(1)根据模式的不同,MSEL有不同的设置。
(2)配置芯片EPCS16存储大小为16Mbits=2MB.
(3)实验室的板子的配置方式JAG方式和“AS方式”,但是没有AS配置口,将SOF文件转换我JIC文件,利用JATG将配置文件下载到配置芯片中。所以,可以把这种方式叫做伪AS模式。
(4)串口配置芯片EPCS16的4个引脚(DATA、DCLK、nCS和ASDI)与FPGA相连即可,JTAG口连接方式按上文所述即可。MSEL只有三位,配置为010(AS模式),这里按照AS模式连接。

更多精彩请看这里:
ModelSim仿真软件介绍(一)
FPGA数字信号处理(二)数字混频
【FPGA信号处理一】5分钟学会FIR 滤波器设计
在Vivado中,您使用过TCL吗?
编写可综合的FPGA代码经验总结(二)
【干货分享】编写可综合的FPGA代码经验总结(一)
【干货分享】异步电路中的时钟同步处理方法
【干货分享】同步电路分析—异步和同步电路的区别(二)
【干货分享】Verilog中阻塞和非阻塞赋值金规
【干货分享】同步电路的时序模型分析(一)
【干货分享】同步复位和异步复位,您真搞明白了吗?
【干货分享】Get到这些小技巧,FPGA设计将提高一个台阶
Vivado中几种仿真模式比较
FPGA中的上拉下拉电阻以及开漏推挽输出电路
Timequest Timing Analyzer时序分析
Testbench编写是如此的简单

不念过去
END
不畏将来