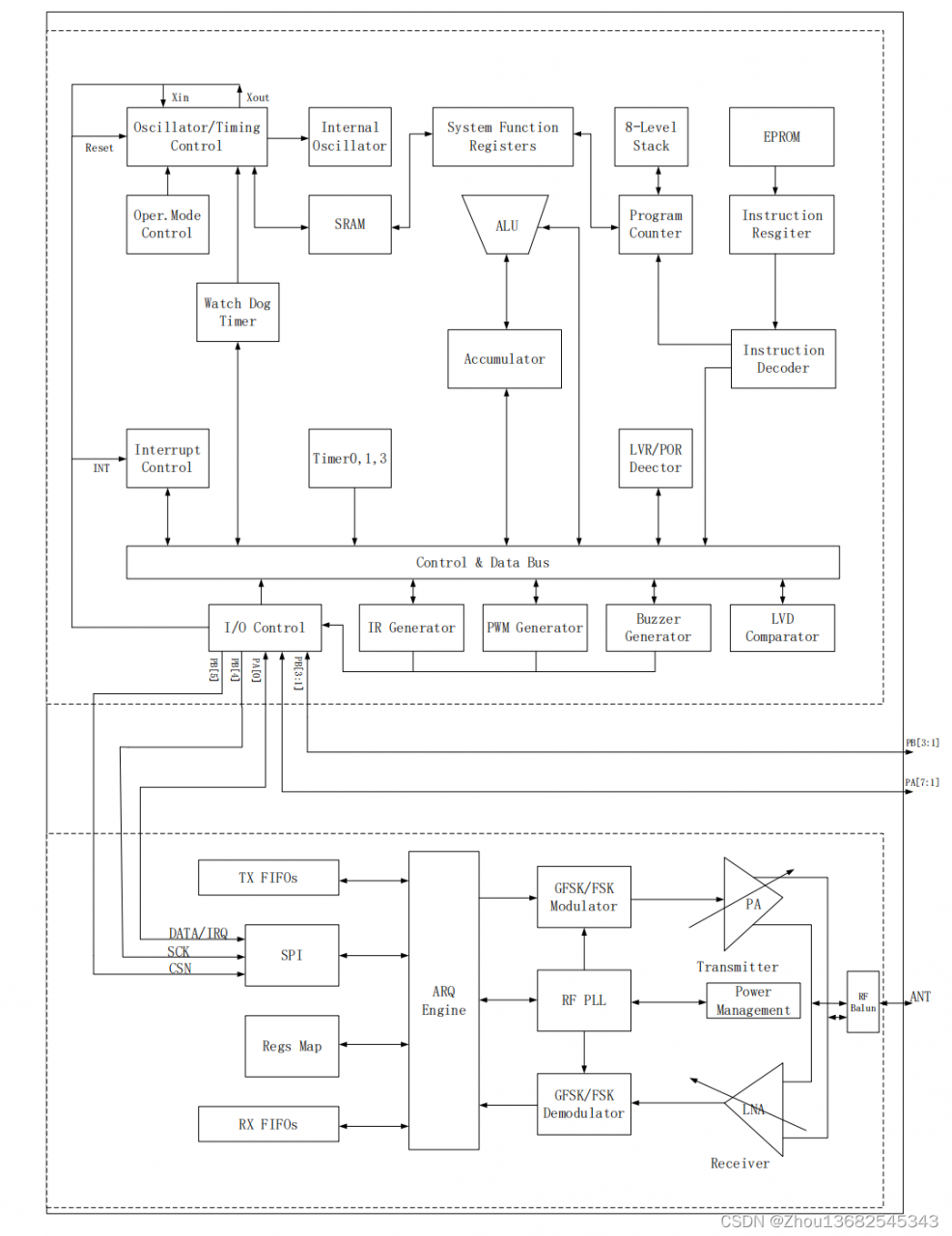
Ci2454 是一款集成无线收发器和 8 位 RISC(精简指令集)MCU 的 SOC 芯片。

无线收发器特性:
● 工作在 2.4GHz ISM 频段。
● 调制方式:GFSK/FSK。
● 数据速率:2Mbps/1Mbps/250Kbps 。
● 兼容 BLE4.2 PHY&MAC。
● 接收灵敏度:-80dBm @2MHz。
● 最高发射功率:11dBm。
● 最高 10MHz 三线 SPI 接口。
● 内部集成智能 ARQ 基带协议引擎。
● 支持 1bit RSSI 输出。
MCU 特性:
● 内建 1 个高精度低电压侦测电路(LVD)。
● 2Kx14 bits EPROM。
● 128 bytes SRAM。
● 11 个 GPIO。
● 8 级堆栈。
● 1 个 8 位向上计数器(Timer0),支持预分频。
● 2 个 10 位向下计数器(Timer1,3),支持重载或连续向下计数。
● 5 路 10 位脉冲宽度调节输出(PWM1,2,3,4,5)。
● 1 个蜂鸣器输出(BZ1)。
● 38/57KHz 红外线载波频率可供选择,同时载波的极性可配置。
● 内建 1 个高精度电压比较器。
● 内建电阻频率转换器(RFC)功能。
● 内建上电复位电路(POR)。
● 内建低压复位电路(LVR)。
● 内建看门狗计数器(WDT)。
● 双时钟机制,系统可以在高速时钟和低速时钟间切换。
—— 高速时钟:I_HRC(1~20MHz 内部 RC),E_HXT(大于 6MHz的外部高速晶振),E_XT(455K~6MHz 的外部晶振)
—— 内部低速时钟:I_LRC(32KHzHz),E_LXT(32KHz 外部低速晶振)。
● 四种工作模式:
1. 正常模式(Normal mode)
2. 慢速模式(Slow mode)
3. 待机模式(Standby mode)
4. 睡眠模式(Halt mode)。
● 8 种硬件中断:
– Timer0 上溢出中断
– Timer1/3 下溢出中断
– WDT中断
– PA/PB 输入状态改变中断
– 外部输入中断
– 低电压侦测中断。
● 在待机模式(Standby mode)下可由 8 种中断唤醒:
– Timer0 上溢出中断
– Timer1/3 下溢出中断
– WDT中断
– PA/PB 输入状态改变中断
– 外部输入中断
– 低电压侦测中断。
● 在睡眠模式下可由三种中断唤醒:
– WDT 中断
– PA/PB 输入状态改变中断
– 外部输入中断。
其他特性:
● 宽电源电压范围 2.1V-3.6V。
● 超低睡眠功耗 5uA(WDT 开启,MCU 处于睡眠模式,无线收发器处
于关断模式)。
● 极少外围器件,降低系统应用成本。
● 封装SOP-16 。